数字抢答器设计

时间:2023-03-14来源:佚名
1.数字抢答器总体方框图
如图1所示为总体方框图。其工作原理为:接通电源后,主持人将开关拨到"清除"状态,抢答器处于禁止状态,编号显示器灭灯,定时器显示设定时间;主持人将开关置?quot;开始"状态,宣布"开始"抢答器工作。定时器倒计时,扬声器给出声响提示。选手在定时时间内抢答时,抢答器完成:优先判断、编号锁存、编号显示、扬声器提示。当一轮抢答之后,定时器停止、禁止二次抢答、定时器显示剩余时间。如果再次抢答必须由主持人再次操作"清除"和"开始"状态开关。
数字抢答器设计
图1数字抢答器框图


2.单元电路设计
(1) 抢答器电路
参考电路如图2所示。该电路完成两个功能:一是分辨出选手按键的先后,并锁存优先抢答者的编号,同时译码显示电路显示编号;二是禁止其他选手按键操作无效。工作过程:开关S置于"清除"端时,RS触发器的 端均为0,4个触发器输出置0,使74LS148的 =0,使之处于工作状态。当开关S置于"开始"时,抢答器处于等待工作状态,当有选手将键按下时(如按下S5),74LS148的输出 经RS锁存后,1Q=1, =1,74LS48处于工作状态,4Q3Q2Q=101,经译码显示为"5"。此外,1Q=1,使74LS148 =1,处于禁止状态,封锁其他按键的输入。当按键松开即按下时,74LS148的 此时由于仍为1Q=1,使 =1,所以74LS148仍处于禁止状态,确保不会出二次按键时输入信号,保证了抢答者的优先性。如有再次抢答需由主持人将S开关重新置?quot;清除"然后再进行下一轮抢答。74LS148为8线-3线优先编码器,表1为其功能表。

数字抢答器设计
图2 数字抢答器电路


 
表1 74LS148的功能真值表
数字抢答器设计

(2)定时电路

数字抢答器设计
图3 可预置时间的定时电路


 由节目主持人根据抢答题的难易程度,设定一次抢答的时间,通过预置时间电路对计数器进行预置,计数器的时钟脉冲由秒脉冲电路提供。可预置时间的电路选用十进制同步加减计数器74LS192进行设计,具体电路如图3所示。
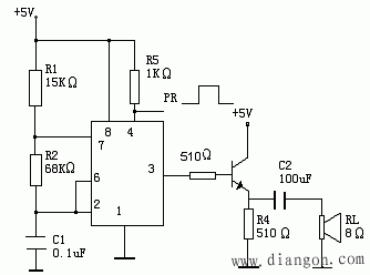
(3)报警电路
由555定时器和三极管构成的报警电路如图4所示。其中555构成多谐振荡器,振荡频率fo=1.43/[(RI+2R2)C],其输出信号经三极管推动扬声器。PR为控制信号,当PR为高电平时,多谐振荡器工作,反之,电路停振。

数字抢答器设计
图4 报警电路



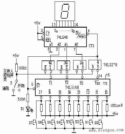
(4)时序控制电路
时序控制电路是抢答器设计的关键,它要完成以下三项功能:
①主持人将控制开关拨到"开始"位置时,扬声器发声,抢答电路和定时电路进人正常抢答工作状态。
②当参赛选手按动抢答键时,扬声器发声,抢答电路和定时电路停止工作。
③当设定的抢答时间到,无人抢答时,扬声器发声,同时抢答电路和定时电路停止工作。

数字抢答器设计
图 5 时序控制电路

根据上面的功能要求以及图2,设计的时序控制电路如图5所示。图中,门G1 的作用是控制时钟信号CP的放行与禁止,门G2的作用是控制74LS148的输人使能端 。图4的工作原理是:主持人控制开关从"清除"位置拨到"开始"位置时,来自于图2中的74LS279的输出 1Q=0,经G3反相, A=1,则时钟信号CP能够加到74LS192的CPD时钟输入端,定时电路进行递减计时。同时,在定时时间未到时,则"定时到信号"为 1,门G2的输出 =0,使 74LS148处于正常工作状态,从而实现功能①的要求。当选手在定时时间内按动抢答键时,1Q=1,经 G3反相, A=0,封锁 CP信号,定时器处于保持工作状态;同时,门G2的输出 =1,74LS148处于禁止工作状态,从而实现功能②的要求。当定时时间到时,则"定时到信号"为0, =1,74LS148处于禁止工作状态,禁止选手进行抢答。同时, 门G1处于关门状态,封锁 CP信号,使定时电路保持00状态不变,从而实现功能③的要求。集成单稳触发器74LS121用于控制报警电路及发声的时间,其工作原理请读者自行分析。

    相关阅读

    高压刀熔开关运行与维护

    (1)在运行中要观察导电部分的连接点,以及静触头和动触头接触处是否有过热玻瑞,可用示沮片、红外仪进行监测。 (2)绝缘支柱表面有无电痕迹及裂缝。 (3)三相闭合是否同期。...
    2023-03-16

    Ladder是什么意思?Ladder是PLC最流行的梯形图编程语言

    Ladder是什么意思?Ladder是plc 最流行的梯形图编程语言。 PLC梯形图有时又称继电器 形逻辑图编程。  这种方法是当今使用最为广泛的。  它使用最广泛的主要原因是它和以往的继电器控制...
    2023-03-16

    增量式编码器使用方法

    增量式编码器是直接利用光电转换原理输出三组方波脉冲A、B和Z相;A、B两组脉冲相位差90º,从而可方便地判断出旋转方向,而Z相为每转一个脉冲,用于基准点定位。它的优点是原理构...
    2023-03-11

    变压器无功补偿容量如何计算?补偿容量的计算公式

    变压器无功补偿 容量怎么计算? 无功补偿容量" width="380" height="313" src="https://www.gdzrlj.com/d/file/2016-05/20160530215047160.jpg" /> 通过以下公式计算所需补偿容量 : tgφ1=√1-cos2φ1/cosφ1 tgφ=√...
    2022-12-10

    家装电路改造有什么基本工艺要求?

    基本设计应根据业主对功能区的要求,严禁擅自改动。 严格按照规定进行线路基本分组,配电箱 必须分组控制,可分为照明、空调、普插(低插)、厨房、卫生间。灯具中组合吊灯、筒...
    2023-03-06
    家装电路改造有什么基本工艺要求?

    热销商品

    加厚abs安全帽电工建筑工地程施工领导监理透气防砸头盔可印字V型

    这款加厚ABS安全帽专为电工、建筑工地施工人员、领导及监理设计,采用高强度ABS工程塑料,抗冲击、防砸性能优异,有效保障头部安全。帽体加厚设计,增强耐用性与防护等级...
    5.8

    水口钳高硬度模型剪钳电子钳工业级口水剪斜嘴钳偏口斜口专用钳子

    水口钳高硬度模型剪钳是一款工业级精密工具,专为电子、模型制作及精细作业设计。采用优质高碳钢材质,经热处理工艺打造,具备卓越的硬度和耐磨性,可轻松剪切金属引脚、...
    4.8

    170电子剪钳II 如意斜口钳 工业斜嘴钳水口钳 模型剪塑胶钳尖嘴钳

    170电子剪钳II如意斜口钳是一款专业级精密工具,集工业斜嘴钳、水口钳、模型剪、塑胶钳与尖嘴钳功能于一体,适用于电子维修、模型制作、手工艺及精密作业。其采用优...
    4.5

    安全帽国标工地加厚施工领导透气安全头盔建筑工程监理免费印字

    本款安全帽严格遵循国家GB 2811-2019标准,专为建筑工程、工地施工及监理人员设计。采用高强度ABS工程塑料,加厚壳体有效抗冲击,保障头部安全。帽体轻盈透气,内置可调...
    10

    包邮三角型简易螺丝刀三角十字螺丝刀螺丝批改锥起子五金工具5mm

    这款5mm三角型简易螺丝刀,专为拧紧或拆卸三角形螺丝设计,适用于电子维修、家电维护及精密仪器装配等场景。采用优质合金钢材质,刀头硬度高、耐磨损,确保长久使用不变...
    3.64

    网站栏目