什么是双电源供电
时间:2023-03-14来源:佚名
|
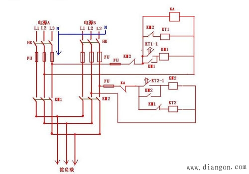
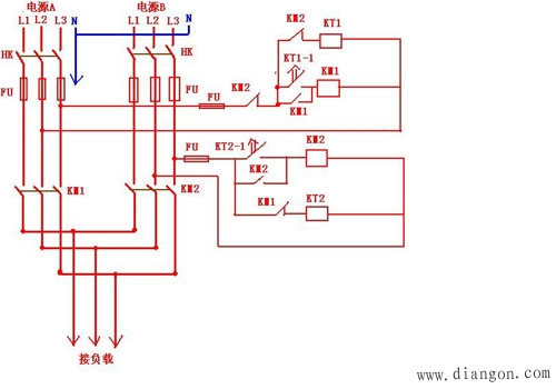
双电源供电和双回路供电,人们一般都认为是一码事,互相混淆。但是事实上是有一些区别的。
双电源供电当然是引自两个电源(性质不同),馈电线路当然是两条;一用一备如果指的是电源,那它就是双电源供电。一用一备如果指的是馈电线路,就不能称之为双电源供电了。双电源比双回路可靠,但对建筑单体来说,两者看起来好象没有什么区别,很多情况下都是两路进线。双电源有一种情况是这样的:两路进线接自不同的区域变电站;而对应,双回路有一种情况是这样的:两路进线接自同一区域变电站的不同母线。所以,“双回路”中的这个回路指的是区域变电站出来的回路。双电源是电源来源不同,相互独立,其中一个电源断电以后第二个电源不会同时断电,可以满足一二级负荷的供电。而双回路一般指末端,一条线路故障后另一备用回路投入运行,为设备供电。两回路可能是同一电源也可能是不同电源。
|










