单调谐回路谐振放大器的电路及其等效电路
时间:2023-03-15来源:佚名
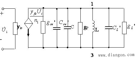
典型的单调谐放大器如图1所示,它的交流通路及Y参数分别如图2(a)、(b)所示。注意:在画交流等效电路时,注意以下原则:(1)大电容作为短路处理;大电感作为开路处理;(2)电源作为接地处理;(3)小电容、小电感作为工作电容、工作电感予以保留。由于实际的单调谐放大器中,为了保证其稳定工作,都采取措施让其内部反馈很小,为了简化分析过程,故在图(c)中略去了反向传输导纳
|
的影响。


谐振频率:










