内圆表面加工方法
时间:2023-03-15来源:佚名
|
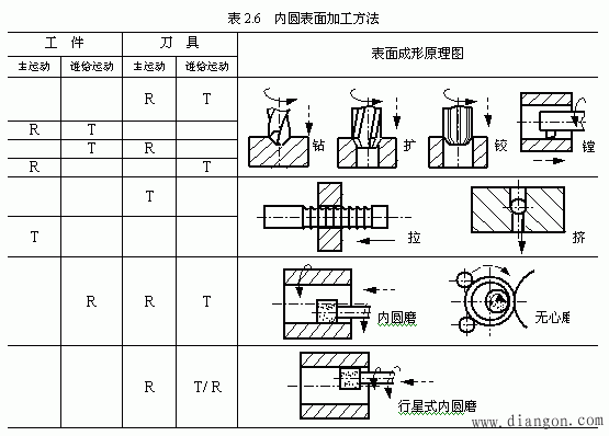
表2.6列出了几种常用的内圆表面加工方法。
1)钻孔 通常用于在实心材料上加工直径φ0.5~50mm的孔。钻孔加工有不同的运动形式:在钻床或镗床上加工,主运动和进给运动均由刀具完成;在车床上钻孔,主运动由工件完成,进给运动由刀具完成;在组合机床上加工时,刀具完成主运动,进给运动或由工件完成,或由刀具完成。钻孔刀具有麻花钻、扁钻、深孔钻及中心钻等。 2)扩、铰孔 扩、铰孔是孔加工的中间或终结工序,其成形运动与钻孔相似。 3)镗孔 一般刀具的回转运动为主运动,刀具或工件的作直线进给运动。镗孔加工可在镗床上进行,也可在车床、铣床、组合机床或加工中心上进行。 4)拉孔 利用多刃刀具,通过刀具相对于工件的直线运动完成加工工作。可以拉圆柱孔、花键孔、成形孔等,是一种高生产率的加工方法,多用于大批量生产。 5)挤孔 可以用挤刀挤孔,也可以用钢球挤孔。挤孔在获得尺寸精度的同时,可使孔壁硬化,使被加工孔表面粗糙度降低。 6)磨孔 是高精度、淬硬内孔的主要加工方法,其基本加工方式有内圆磨削、无心磨削和行星磨削。 |








