母线保护
|
1.母线的完全差动保护
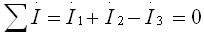
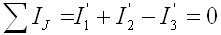
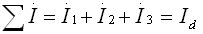
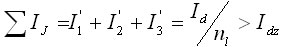
(1)作用原理 将母线的连接元件都包括在差动回路中,需在母线的所有连接元件上装设具有相同变比和特性的CT。 ① 正常运行或外部故障时 所以, 二次侧 ② 母线故障时 二次侧 (2)整定计算 两个条件:① 躲外部短路可能产生的
②CT(LH)二次回路断线时不误动
取较大者为定值:
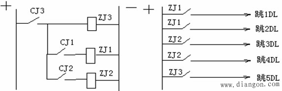
应用: 35KV及以上单母线或双母线经常只有一组母线运行的情况,母线故障时,所有联于母线上的设备都要跳闸。 2.固定连接母线的差动保护 为提高供电的稳定性,常采用双母线同时运行的方式。按一定要求将引出线和有电源的支路固定联于两条母线上——固定连接母线。任一母线故障时,只切除联于该母线上的元件,另一母线可以继续运行,从而缩小了停电范围,提高了供电可靠性,此时需要母线差动保护具有选择故障母线的能力。 (1)构成以及作用原理
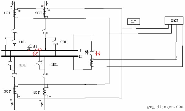
5DL母联(开关)断路器:
三部分组成: ① 1CT、2CT、6CT和1CJ:用于选择母线Ⅰ的故障 ② 3CT、4CT、5CT和2CJ:用于选择母线Ⅱ的故障 ③ 完全差动保护1~6CT和3CJ:整套保护的启动元件 原理:① 正常运行或区外故障时 由上图电流分布情况可知: 1CJ、2CJ、3CJ中均为不平衡电流,保护不动作。 ② 区内故障时,例,母线Ⅰ故障,见上图红色电流分布情况可见:1CJ、3CJ中流入全部短路电流,所以1CJ、3CJ启动,跳开1DL、2DL和5DL;2CJ中为不平衡电流,不动,所以母线Ⅱ仍可继续运行。当母线Ⅱ故障时,分析同上。2CJ、3CJ起动,跳开3DL、4DL、和5DL,母线Ⅰ继续运行。 (2)固定连接破坏时, 例线路1由母线Ⅰ切换到母线Ⅱ,因二次回路不能随之切换,所以外部短路时,1CJ、2CJ中有较大的差动电流而误动,但3CJ仍流过不平衡电流,不会误动。区内短路时,1CJ、2CJ都可能动作,3CJ动作,所以两条母线都可能切除。 该保护优点:能快速而有选择性的切除母线故障。 缺点:当固定连接破坏时,不能选择故障母线,限制了系统运行调度的灵活性。 3.电流比相式母线保护 为提高母线保护运行的灵活性而提出
正常运行或者 故障时: 母线故障时: 即:利用比相元件比较各元件的相位,便可判断区内、区外故障。
从每个连接元件的CT引出三相电流,经电压形成回路分别送入各相的小母线,每相的小母线分别送至本相的比较回路。延时回路的作用是从时间上躲开外部短路时出现的相位误差,脉冲展宽回路的作用是使出口继电器可靠动作。 特点: ① 只与电流相位有关,而与电流的幅值大小无关; ② 不需考虑不平衡电流的影响,提高了灵敏度; ③ 不要求采用同型号和同变比的CT,增加了使用的灵活性。 4.母联相位差动保护 固定连接母线的差动保护的改进。比较母联中电流与总差电流的相位作为故障母线的选择元件。
① Ⅰ母线发生故障时,母联中电流方向从Ⅱ母线流向Ⅰ母线。 ② Ⅱ母线发生故障时,母联中电流方向从Ⅰ母线流向Ⅱ母线,两种情况下电流相位变化180°。 基准量:总差电流,相位不变,同时为故障启动元件。可见,不管母线上元件如何连接,只要母联中有电流流过,则能选择出故障母线,无固定连接的要求。这是它的优点。 |








:母线连接元件中,最大负荷支路上最大负荷电流。
:连接元件最少时














