变频器原理图
时间:2023-03-15来源:佚名
|
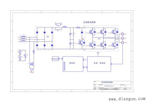
变频器主要由模块,CPU控制板,电源驱动板组成,见上图.
L1为进线电抗器,一般需外接,L2为直流电抗器,大部份变频器需要外接,象施耐德,丹佛斯变频器都内置了直流电抗器。 PM1为整流模块,PM2为逆变模块,一般小功率变频器是将整流和逆变整合在一起,大功率变频器整流和逆变都是分开的,功率越大电流越大,因为单一的整流和逆变的电流有限,所以整流和逆变可以并联使用。PM3是制动晶体,15KW以下的变频器都内置制动晶体,外接一个制动电阻就能做能耗制动。 C1,C2是滤波电容,变频器功率越大,电容的容量就越大,滤波电容的耐压一般是450V,因为380V级的变频器整流滤流后的电压是600V,所以可以将两个耐压为450V的滤波电容串联使用,总的耐压就可以达到900V。 R1是启动电阻,它的作用是在上电的时候限制滤波电容的充电电流,当电容充电完成后接触器K1动作,R1被旁路。 R2和R3的作用有两个:一是作放电电阻,关机后将电容上的电尽放放掉,另一个是均压,保持滤波电容上的电压相等。 CT是霍尔电流互感器,比如台安变频器的互感器型号是HY-15P,它的含义是通过互感器初级电流为0-15A时互感器的输出电压是0-4V。互感器也有输出电流型的。大部份变频器都是用的霍尔电流互感器,象西门子,华为等变频器用的是另一种检测方法,在输出U,V,W分别串联一个小电阻,通过检测电阻上的压降来检测电流。 SA1-SA3是进线压敏电阻,可以抑制瞬态过电压,起到保护变频器的作用。 T1是380V/220V电源变压器,小功率变频器的风扇都是12V或24V供电的,电源取自开关电源部份,大功率变频器的风扇是220V的,所以加了个变压器转换一下。 电源驱动板的作用:一是提供变频器所有的供电电源,二是将控制板的IGBT驱动信号进行隔离放大。 控制板相当于变频器的大脑,通过操作面板做人机对话,实现各种控制功能。 |









