交流接触器工作原理与选用
|
接触器是一种用于频繁地接通或切断带有负载的主电路的自动控制电器。按照接触器主触头通过电流的种类,可分为交流接触器和直流接触器。
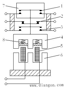
交流接触器工作原理交流接触器是根据电磁原理工作的,工作原理图中当电磁线圈5通电后产生磁场,使静铁心6产生电磁吸力吸引动铁心4向下运动,使常开主触头1(一般三对)闭合,同时常闭辅助触头2(一般两对)断开,常开辅助触头3(一般两对)闭合。当线圈断电时,电磁力消失,动触头在弹簧8作用下向上复位,各触头复原(即三对主触头断开、两对常闭辅助触头闭合、两对常开辅助触头断开)。
接触器在机床电器原理图中常按各部件作用分别画到各条控制支路中,接触器各部件图形符号见图,文字标注型式为:
交流接触器选用 接触器类型选择
式中,IN—接触器额定电流(A),IC—接触器主触头电流(A),PN—电动机额定功率(W),UN—电动机额定电压(V),K—系数,一般取1~1.4。 |










