电网各元件的参数和等值电路
|
实际电力系统是由不同电压的电力网通过变压器联结而成的,系统的各元件如输电线路、发电机、变压器等需要确定各自的等值电路,为电力系统分析与计算的打下基础。 一、电力线路的参数和等值电路 1.力线路的参数 (1)电阻、电感(电抗)线路的电感以电抗的形式计算、电导、电容(电纳)而线路的电容则以电纳的形式计算。 电力线路的参数是均匀分布,电阻、电抗、电导和电纳都是沿线路长度均匀分布的。 (2)工程上: 1)线路的电阻:
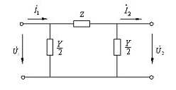
2)线路的电抗:阻碍电流流动的能力用电抗来度量。用每相导线单位长度的电抗进行计算。 3)线路的电导阻 :由沿绝缘子的泄漏电流和电晕现象决定的。用单位长度的电导进行计算。 4)线路的电纳 :导线之间及导线对大地之间的电容决定。 2.电线路的等值电路与基本方程 输电线路在正常运行时三相参数是相等的,可以只用其中的一相作出等值电路。电力线路的单相等值电路如图1。
(1)短线路的等值电路与基本方程 由于电压不高,这种线路电纳的影响不大,可略去。因此短线路的参数只有一个串联总阻抗。短线路的等值电路见图2。
(2)中等长度线路的等值电路与基本方程 这种线路电压较高,线路的电纳一般不能忽略,等值电路常为Π形等值电路,如图3。
(3)长线路的等值电路 必须考虑分布参数特性的影响。将分布参数乘以适当的修正系数就变成了集中参数,从而绘出用集中参数表示的等值电路,见图4。
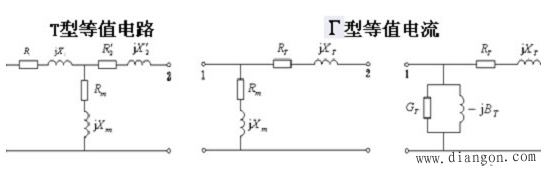
二、电抗器的参数和等值电路 电抗器的作用是限制短路电流,由电阻很小的电感线圈构成,因此等值电路可用电抗来表示。一般电抗器铭牌上给定它的额定电压、额定电流和电抗百分值,由此可求电抗器的电抗。 三、变压器的参数和等值电路 变压器的参数包括电阻、电导、电抗和电纳,这些参数要根据变压器铭牌上厂家提供的短路试验数据和空载试验数据来求取。 变压器一般都是三相,在正常运行的情况下,由于三相变压器是均衡对称的电路,因此等值电路可以只用一相代表。 变压器的等值电路见图5。
1.短路实验求电阻和电抗 :可认为短路电压主要降落在电抗上。 2.空载实验求电导和电纳 四、发电机的参数和等值电路 厂家提供的参数有发电机额定容量,额定有功功率,额定功率因素,额定电压及电抗百分值。 五、负荷的参数和等值电路 一般有如下几种表示方法: 1.把负荷表示成恒定功率; 2.把负荷表示成恒定阻抗; 3.用感应电机的机械特性表示负荷; 4.用负荷的静态特性方程表示负荷。 常用:(a)用恒定功率表示负荷;(b)用恒定阻抗及导纳表示负荷 |
式中,l:导线的长度,r1:单位长度的电阻。











