噪声电压的测量
|
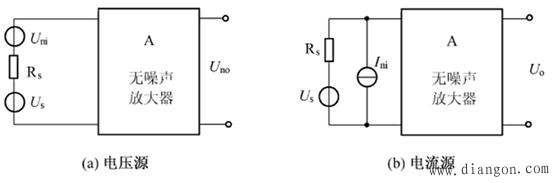
一、噪声的基本特性 在电子技术中,噪声是指除有用信号以外的一切不需要的信号和各种电磁干扰的总称。噪声是一种随机信号,需要用统计学的方法加以描述。 ![]() 图1 噪声电压的波形 包含所有颜色的光称为白光,类似地,在所有频率下具有等功率密度的噪声称为白噪声。真正的白噪声应该具有无限的带宽,因而有无限的功率,但实际系统的带宽总是有限的,只要在所研究的频带内噪声具有平直的功率谱密度,我们就可以把它看成是白噪声。 二、用平均值表测量噪声电压 三、器件和放大器噪声的测量 1.等效输入噪声Uni的测量 |

;


,式中输出噪声电压 Uno包含了Rs的热噪声和放大器内部器件所产生的噪声。


,




和 Rs分别为信号源电压相量和内阻,RL为负载电阻。 











