如何在PLC里将双字的十六进制数DW#16#D4DB71FB换成无符号的数3571151355
|
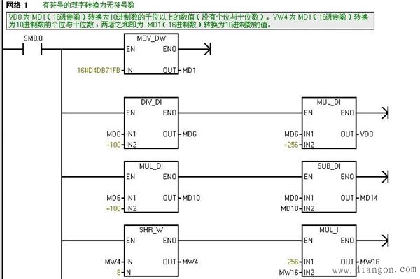
如何在plc里将双字的十六进制数DW#16#D4DB71FB换成无符号的数3571151355,正是目前PLC自身不能解决的问题,以西门子S7-200为例,该PLC内的存储器存储整数的最小单元为字节,2个字节组成一个字,2个字构成一个双字,双字即为PLC存储整数的最大的存储单元。PLC对字节定义为无符号数,即字节可传递显示16进制数0~FF(即10进制数0~255),而对于字与双子存储器定义为有符号数,即:其最高位定义为存储数的符号位,当最高位=0时表示为此数为正数,当最高位=1时表示此数为负数。如将16进制正数“16#9673”送入MW0,MW0的各位值为:1001_0110_0111_0011,由于其最高位M0.7=1 ,故在监视状态下,MW0显示的不是正数38755,而是负数-26781。见下图:
本来是正数存入存储器里,可是存储器显示的数却变成负数,如对次数进行加减乘除运算,也是按负数进行,这给数据监视及对数据计算整理带来极大的不便。 如何解决字与双字在存储的数其最高位=1时,在监视状态下能显示其正数值而不出现负数值呢?请见以下解析: 1、对于最高位=1的字存储器,要使它不显示负数,可将它传递给双字存储器。用双字存储器显示其存数值即可解决显示正数值而不会显示负值。即:令该字的上一个字存储器=0,如:MW2 = 16#9763,可令MW0=0,监视MD0双字存储器,其MD0的显示值即为正数值,见下图中的MOV_DW的显示值。
2、 对于最高位=1的双字存储器,由于PLC无四字存储器,故不能采用上述1的方法来实现正数显示,但可以采用下面的思路编程来实现: 用二个存储器(一个双字与一个单字)分别显示该数的前后二部分数字:用双字存储器显示该数百位以上的部分数值,用单字存储器显示该书的十位与个位2为数值。将这二个存储器数字串联相接的数字,即为该数转换为10进制数的正数值。举例:一个16进制数转换为10进制数,将转换后的数的百位以上的数字部分送入双子存储器内,其值为:35711513;而转换为10进制数的百位以下的数字部分送入单子存储器内,其值为:55。则该16进制数转换为10进制的数为:35711513 55。 编程思路:1、将16进制的双字正数送入MD1,其MD0值=MD1数÷256(即16#100)。再将MD0÷100×256——>VD0, 则VD0值即为MD1÷100的整数部分,将它转换为10进制数送入VD0,则VD0就不会显示负值,而且此VD0值的最小单位值1为10进制数的百位数(即=100)。 MD0÷100的余数部分加上MD1的最低字节(MB4)值—>MW4,再进行这样整理:MW4-100 > 0 则VD0 1,直到MW4 < 100为止。此时的VD0值为原MD1数转换为10进制的百位以上的数字部分,而MW4值为原MD1数转换为10进制的百位以下的十位与个位的数字部分。 将双字单元的16进制数转换为无符号的10进制数的程序
下面是将双字的十六进制数 DW#16#D4DB71FB送入MD1, 按上面程序运行,在监视状态下,转换成无符号的正数(见网络6中的VD0与VW4), 即:MD1 = 16#D4DB71FB = 3571151355 VD0*100 VW4=3571513×100 55 = 3571151355 对于最高位=0的双字数,带入上程序,运行结果也是正确的,见下图:
即:MD1 = 16#74DB71FB = 1960538619 VD0*100 VW4=19605386×100 19 = 1960538619
对于最高位=0的数可不用运行上述编程,直接用MD1->VD1, 其VD1即可在监控下显示10进制数值,故可将原网络6改为下面2条编程语句(见下图):在最高位=0时,其M1.7=0,故网络6运行,其VD1值即为10进制的转换值。在最高位=1时,其M1.7=1,故网络7运行,其VD0与VW4值串联相接值 即为10进制的转换值。 |














