双速电梯电气原理图及PLC安装接线图绘制

时间:2023-03-16来源:佚名
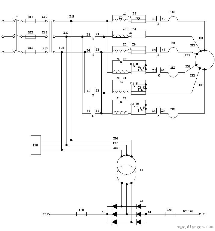
一、双速电梯电气控制主回路
双速电梯电气原理图及PLC安装接线图绘制
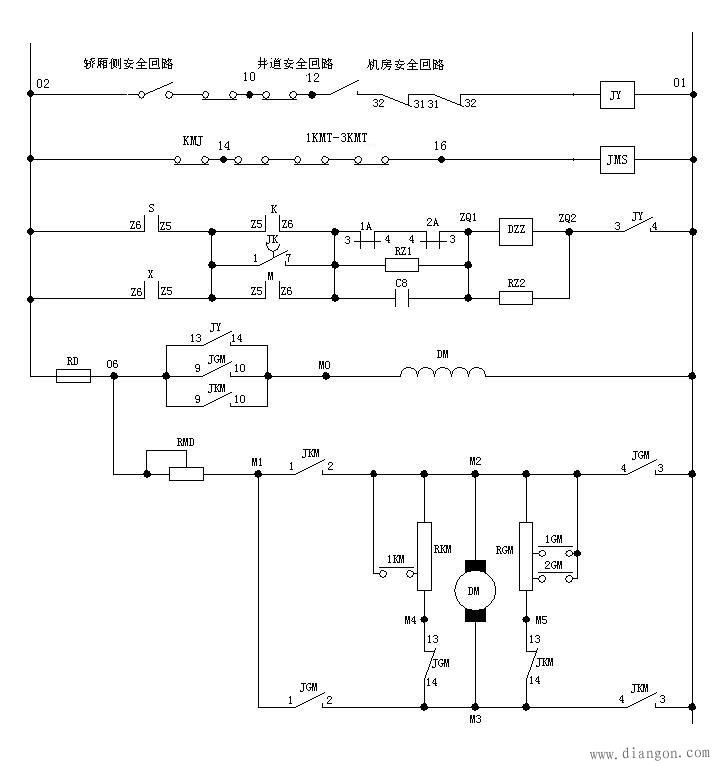
二、安全回路、门锁回路、制动器、门机回路
双速电梯电气原理图及PLC安装接线图绘制
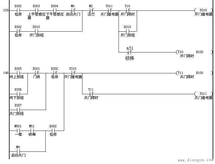
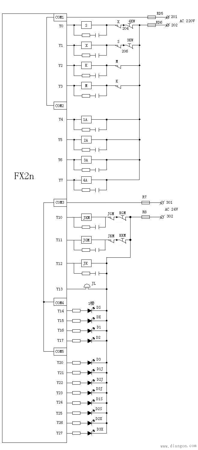
三、plc接线图(输入回路)

双速电梯电气原理图及PLC安装接线图绘制

三、PLC接线图(输出回路)

双速电梯电气原理图及PLC安装接线图绘制

图中线号与继电(接触)器触点号可根据实际情况自定义,这里不再画出。另电源部分与照明部分也未画出。(实在是画累了哦 ^-^ )

楼层控制回路

双速电梯电气原理图及PLC安装接线图绘制

指令、召唤信号的登记与消除

双速电梯电气原理图及PLC安装接线图绘制

自动定向回路

双速电梯电气原理图及PLC安装接线图绘制

启动关门与启动

双速电梯电气原理图及PLC安装接线图绘制

开关门继电器

双速电梯电气原理图及PLC安装接线图绘制

基站锁梯

双速电梯电气原理图及PLC安装接线图绘制

上行、下行接触器,运行继电器

双速电梯电气原理图及PLC安装接线图绘制

停站触发与停站

双速电梯电气原理图及PLC安装接线图绘制

快车、慢车接触器,JK继电器

双速电梯电气原理图及PLC安装接线图绘制

1A、2A、3A、4A接触器

双速电梯电气原理图及PLC安装接线图绘制

蜂鸣器、结束

双速电梯电气原理图及PLC安装接线图绘制

    相关阅读

    电气控制柜导线配线规格及组合导线工艺

    有关电气控制柜 导线配线规格及组合导线工艺,载流导线中的电流密度分布规律,电流的趋肤效应降低导线的有效使用率,25 mm2规格以上的导线根据表2 由10 mm2或16 mm2规格的导线组合。...
    2022-12-10
    电气控制柜导线配线规格及组合导线工艺

    直流电机火花等级的判断方法

    直流电机火花等级的判断方法 火花等级 : 电刷下的火花程度 换向器及电刷的状态 允许的运行方式 表: 附1,电机火花等级的区分 直流电机在运行时,在电刷与换向器接触的地方,往...
    2022-12-11
    直流电机火花等级的判断方法

    不同方法编写电动机顺序启动控制程序

    【免费下载】 PLC软件下载_PLC软件安装教程_PLC手册下载_PLC案例下载! 【免费学习】 变频器精品课程_西门子PLC精品教程_三菱PLC精品教程! 电动机的顺序启动控制其实也是有不同的方式...
    2023-06-27

    变压器反馈式LC振荡电路的组成图解

    有关变压器反馈式LC振荡电路的组成,该电路包括放大电路、反馈网络和选频网络等正弦波振荡电路的基本组成部分,LC并联电路 作为BJT的集电极负载,起选频作用。 变压器 反馈式LC振...
    2022-12-12
    变压器反馈式LC振荡电路的组成图解

    电涌保护器的性能及参数

    1.SPD的冲击分类试验级别 (1)I级分类试验:这是对I类SPD进行的用标称放电电流I n 、1.2/50μs冲击电压和10/350μs最大冲击电流(I imp )做的试验。最大冲击电流在10ms内通过的电荷Q(C)等于幅...
    2023-03-14

    热销商品

    加厚abs安全帽电工建筑工地程施工领导监理透气防砸头盔可印字V型

    这款加厚ABS安全帽专为电工、建筑工地施工人员、领导及监理设计,采用高强度ABS工程塑料,抗冲击、防砸性能优异,有效保障头部安全。帽体加厚设计,增强耐用性与防护等级...
    5.8

    水口钳高硬度模型剪钳电子钳工业级口水剪斜嘴钳偏口斜口专用钳子

    水口钳高硬度模型剪钳是一款工业级精密工具,专为电子、模型制作及精细作业设计。采用优质高碳钢材质,经热处理工艺打造,具备卓越的硬度和耐磨性,可轻松剪切金属引脚、...
    4.8

    170电子剪钳II 如意斜口钳 工业斜嘴钳水口钳 模型剪塑胶钳尖嘴钳

    170电子剪钳II如意斜口钳是一款专业级精密工具,集工业斜嘴钳、水口钳、模型剪、塑胶钳与尖嘴钳功能于一体,适用于电子维修、模型制作、手工艺及精密作业。其采用优...
    4.5

    安全帽国标工地加厚施工领导透气安全头盔建筑工程监理免费印字

    本款安全帽严格遵循国家GB 2811-2019标准,专为建筑工程、工地施工及监理人员设计。采用高强度ABS工程塑料,加厚壳体有效抗冲击,保障头部安全。帽体轻盈透气,内置可调...
    10

    包邮三角型简易螺丝刀三角十字螺丝刀螺丝批改锥起子五金工具5mm

    这款5mm三角型简易螺丝刀,专为拧紧或拆卸三角形螺丝设计,适用于电子维修、家电维护及精密仪器装配等场景。采用优质合金钢材质,刀头硬度高、耐磨损,确保长久使用不变...
    3.64

    网站栏目