三菱PLC方便指令
|
三菱FX系列plc共有10条方便指令:初始化指令IST(FNC60)、数据搜索指令SER(FNC61)、绝对值式凸轮顺控指令ABSD(FNC62)、增量式凸轮顺控指令INCD(FNC63)、示教定时指令TIMR(FNC64)、特殊定时器指令STMR(FNC65)、交替输出指令ALT(FNC66)、斜坡信号指令RAMP(FNC67)、旋转工作台控制指令ROTC(FNC68)和数据排序指令SORT(FNC69)。以下仅对其中部分指令加以介绍。 (1)凸轮顺控指令 凸轮顺控指令有绝对值式凸轮顺控指令ABSD(FNC62)和增量式凸轮顺控指令INCD(FNC63)两条。 绝对值式凸轮顺控指令ABSD是用来产生一组对应于计数值在3600范围内变化的输出波形,输出点的个数由n决定,如图1a所示。图中n为4,表明[D.]由M0~M3共4点输出。预先通过MOV指令将对应的数据写入D300~D307中,开通点数据写入偶数元件,关断点数据放入奇数元件,如表1所示。当执行条件X0由OFF变ON时,M0~M3将得到如图1b所示的波形,通过改变D300~D307的数据可改变波形。若X0为OFF,则各输出点状态不变。这一指令只能使用一次。
图1 绝绝对值式凸轮顺控指令的使用 a) 绝绝对值式凸轮顺控指令 b) 输出波形 表1 旋转台旋转周期M0~M3状态
增量式凸轮顺控指令INCD也是用来产生一组对应于计数值变化的输出波形。如图2所示,n=4,说明有4个输出,分别为M0~M3,它们的ON/OFF状态受凸轮提供的脉冲个数控制。使M0~M3为ON状态的脉冲个数分别存放在D300~D303中(用MOV指令写入)。图中波形是D300~D303分别为20、30、10和40时的输出。当计数器C0的当前值依次达到D300~D303的设定值时将自动复位。C1用来计复位的次数,M0~M3根据C1的值依次动作。由n指定的最后一段完成后,标志M8029置1,以后周期性重复。若X0为OFF,则C0、C1均复位,同时M0~M3变为OFF,当X0再接通后重新开始工作。
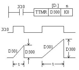
图2 增量式凸轮顺控指令的使用 凸轮顺控指令源操作数[S1.]可取KnX、KnY、KnM、KnS、T、C和D,[S2.]为C,目标操作数可取Y、M和S。为16位操作指令,占9个程序步。 (2)定时器指令 定时器指令有示教定时器指令TTMR(FNC64)和特殊定时器指令STMR(FNC65)两条。 使用示教定时器指令TTMR,可用一个按钮来调整定时器的设定时间。如图3所示,当X10为ON时,执行TTMR指令,X10按下的时间由M301记录,该时间乘以10n后存入D300。如果按钮按下时间为t存入D300的值为10n×t 。X10为OFF时,D301复位,D300保持不变。TTMR为16位指令,占5个程序步。
图3 示教定时器指令说明 特殊定时器指令STMR是用来产生延时断开定时器、单脉冲定时器和闪动定时器。如图4所示,m=1~32767,用来指定定时器的设定值;[S.]源操作数取T0~T199(100ms定时器)。T10的设定值为100ms×100=10s,M0是延时断开定时器,M1为单脉冲定时器,M2,M3为闪动而设。
图4 特殊定时器指令的使用 (3)交替输出指令 交替输出指令ALT(P)的编号为FNC66,用于实现由一个按钮控制负载的启动和停止。如图5所示,当X0由OFF到ON时,Y0的状态将改变一次。若用连续的ALT指令则每个扫描周期Y0均改变一次状态。 [D.]可取Y、M和S。ALT为16为运算指令,占3个程序步。
图5 交替输出指令的使用 |











