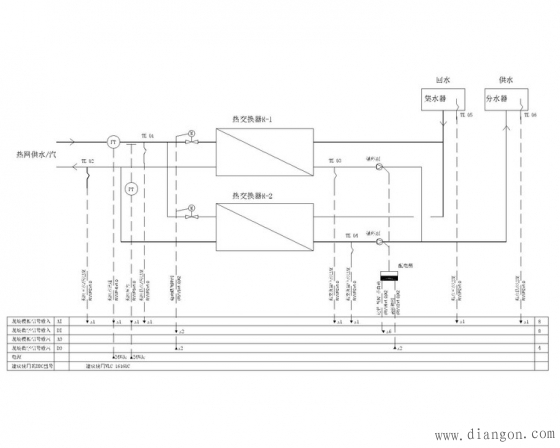
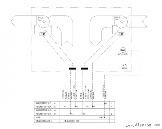
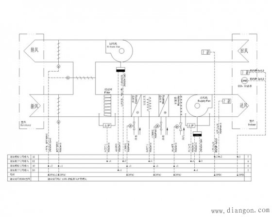
楼宇自控系统图

时间:2023-03-16来源:佚名
楼宇自动控制系统包括:门禁控制系统、中央空调监控及计量计费系统、消防报警及火灾控制系统、停车场管理系统等,该系统主要是通过网络化方式对前端采集设备(数据采集或控制模块)进行数据采集和管理 。

楼宇自控系统图

楼宇自控系统图

楼宇自控系统图

楼宇自控系统图

楼宇自控系统图

楼宇自控系统图

楼宇自控系统图

楼宇自控系统图

    相关阅读

    电工必备-单控 双控 三控 四控 开关的接线,学会不求人!

    有好多朋友私信小编,问双控怎样接线?今天就给朋友们分享一下关于开关接线图,相信看完这些,您一定会明白,好东西大家一起分享,感觉文章不错,欢迎分享给您的其他朋友,大...
    2023-06-11
    电工必备-单控 双控 三控 四控 开关的接线,学会不求人!

    交流公式_交流电路的计算公式

    周 期 和 频 率 周期---交流量变化一周所需时间 频率---一秒钟内交流量变化的次数 式中:T--周期(S) ------ f--频率(Hz) ------ -角频率(rad/r) 正 弦 交 流 电 压 U=Umsin(ωt τu) 式中:u--电压...
    2023-03-21

    电工必看|超详细电工口诀,计算一步到位

    电工计算口诀,是根据用电设备的功率 ( 千瓦或千伏安 ) 算出电流 ( 安 ) 的口诀。 按功率计算电流的口诀 1. 用途: 这是根据用电设备的功率 ( 千瓦或千伏安 ) 算出电流 ( 安 ) 的口诀。...
    2023-06-27
    电工必看|超详细电工口诀,计算一步到位

    央企招聘高级电气工程师面试经验分享

    央企招聘高级电气工程师面试经验分享 1. 充分准备专业知识: - 电路与系统基础:对电路分析、欧姆定律、基尔霍夫定律等基本电路理论要烂熟于心,能够快速准确地分析和解决电路相...
    2024-09-09
    央企招聘高级电气工程师面试经验分享

    锂电池是如何充放电的?

    【免费下载】 PLC软件下载_PLC软件安装教程_PLC手册下载_PLC案例下载! 【免费学习】 变频器精品课程_西门子PLC精品教程_三菱PLC精品教程! 锂电池作为可充电池,可以重复多次使用。它...
    2023-06-27

    热销商品

    加厚abs安全帽电工建筑工地程施工领导监理透气防砸头盔可印字V型

    这款加厚ABS安全帽专为电工、建筑工地施工人员、领导及监理设计,采用高强度ABS工程塑料,抗冲击、防砸性能优异,有效保障头部安全。帽体加厚设计,增强耐用性与防护等级...
    5.8

    水口钳高硬度模型剪钳电子钳工业级口水剪斜嘴钳偏口斜口专用钳子

    水口钳高硬度模型剪钳是一款工业级精密工具,专为电子、模型制作及精细作业设计。采用优质高碳钢材质,经热处理工艺打造,具备卓越的硬度和耐磨性,可轻松剪切金属引脚、...
    4.8

    170电子剪钳II 如意斜口钳 工业斜嘴钳水口钳 模型剪塑胶钳尖嘴钳

    170电子剪钳II如意斜口钳是一款专业级精密工具,集工业斜嘴钳、水口钳、模型剪、塑胶钳与尖嘴钳功能于一体,适用于电子维修、模型制作、手工艺及精密作业。其采用优...
    4.5

    安全帽国标工地加厚施工领导透气安全头盔建筑工程监理免费印字

    本款安全帽严格遵循国家GB 2811-2019标准,专为建筑工程、工地施工及监理人员设计。采用高强度ABS工程塑料,加厚壳体有效抗冲击,保障头部安全。帽体轻盈透气,内置可调...
    10

    包邮三角型简易螺丝刀三角十字螺丝刀螺丝批改锥起子五金工具5mm

    这款5mm三角型简易螺丝刀,专为拧紧或拆卸三角形螺丝设计,适用于电子维修、家电维护及精密仪器装配等场景。采用优质合金钢材质,刀头硬度高、耐磨损,确保长久使用不变...
    3.64

    网站栏目