GN 425.9——不锈钢折叠手柄
|
GN 425.9——不锈钢折叠手柄
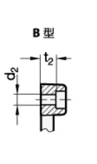
型号 规格 类型 Type A: 使用背侧的螺纹孔安装固定
Type B: 使用正面的通孔安装螺钉固定
Type C: 从正面焊接固定
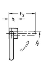
识别号 Type 1: 90°折叠手柄
Type 2: 90°折叠手柄,带保持弹簧
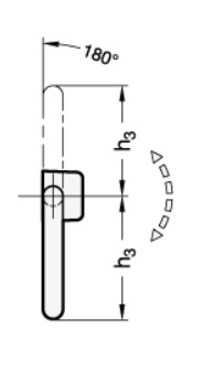
Type 3: 180°折叠手柄
Type 4: 180°折叠手柄,带保持弹簧
附件 精铸不锈钢 AISI CF-8 NI 亚光喷砂GS
喷塑涂层(仅A型和B型) 黑色,RAL 9005, 纹理饰面 SW
手柄 不锈钢 AISI 304 亚光喷砂饰面 保持弹簧 弹簧钢 AISI 301 信息 GN425.9不锈钢折叠手柄适用于拉手通常处于非工作状态,使用时外伸空间受限的场合 1型和2型折叠手柄开合角度为90度,因此适用于从侧向拉出手柄的场合。相应地,如果通常从上方拉伸手柄,应优先考虑开合角度高达180度的3型和4型折叠手柄 2型和4型折叠手柄的保持弹簧可使拉手停留在任意位置。这使得拉手被设置在一个易于操作的位置,同时确保拉手在非工作状态下不会因环境中的振动造成额外的噪音。
安装时应确保保持弹簧完全处于卡槽中,并确保拉手与保持弹簧配合到位。 所有部件发货时均未装配。 技术信息 不锈钢特性 鉴于其优异的耐腐蚀性,在机械工业中,不锈钢是许多行业受追捧的材料之一。 ELESA GANTER产品范围包括各种各样的特殊AISI不锈钢产品,遍及所有产品组。 包括全不锈钢制品及不锈钢和其他材质组合的产品,被广泛用于食品加工,化学和制药行业,恶劣的环境条件以及法律规定强制使用耐腐蚀材料的所有应用。 不同不锈钢材料的性能:
关于应用 手柄应用广泛,可使用在抽屉拉手上,节约空间。
装在侧面,可调整手柄角度。便于日常操作。
更多信息请登录:伊莉莎冈特贸易(上海)有限公司
|


















