|
本文围绕低压配电系统无功补偿核心设备,系统整理无功补偿控制器、动态投切单元、复合开关的技术参数、选型方案、安装要求与价格信息,作一讨论以供参考。
一、无功补偿控制器
无功补偿控制器分为-L/-M系列与G系列,核心用于无功补偿系统的投切控制、参数监测与报警联动,适配不同补偿方式与输出路数需求。
(一)-L/-M系列无功补偿控制器
1.核心标识与补偿方式

型号格式:-31-20□-□(1配-L系列【智能电容】,3配-M系列【抗谐式智能电容模块】)
补偿方式:G(三相共补)、F(共分结合)
市场指导价:700元
 2.技术参数
| 参数类别 |
具体要求 |
| 信号输入 |
电压量程:相电压20~220V或线电压20~480V;过载(持续1.2倍/瞬时2倍);功耗<1VA |
| 电流量程:5A;过载(持续1.2倍/瞬时2倍);功耗<1VA |
| 频率:45~65Hz |
| 电源 |
AC/DC 80~270V |
| 通讯功能 |
网线连接(物理层隔离),最大组网控制32台设备 |
| 测量功能 |
1路温度测量 |
| 报警输出 |
2路可编程报警继电器输出,容量5A/250VAC(5A/30VDC) |
| 显示方式 |
128*64 LCD液晶显示,对比度可调 |
| 防护等级 |
前面板IP65 |
| 环境条件 |
工作温度:-15~55℃;储存温度:-20~75℃ |
| 安全指标 |
绝缘电阻>100MΩ(信号/电源/输出端子对壳);耐压>AC 2KV(信号/电源/输出间) |
| 外形尺寸 |
120×120×114mm |
| 开孔尺寸 |
111×111mm |
(二)G系列无功补偿控制器(含动态投切单元控制)
1.核心标识与补偿方式
代表型号:-31-603-12A、-31-603-12B、-31-603-21B、-31-605-24A、-31-605-24B
补偿方式:A(静态)、B(动态),均可选择共补或共分结合补偿类型
输出路数:12路、21路、24路
 2.技术参数(通用部分同-L/-M系列)
| 专属参数 |
具体要求 |
| 投切输出容量 |
3A/250VAC(3A/30VDC)继电器或电平输出(不小于8mA) |
| 通讯协议 |
RS485通讯接口(物理层隔离),支持MODBUS-RTU国际标准协议 |
3.外形与价格信息
| 型号 |
开孔尺寸(mm) |
外形尺寸(mm) |
市场指导价(元) |
配套投切开关 |
支持最大补偿路数 |
| -31-603-12A |
111×111 |
120×120×114 |
700 |
接触器 |
12路 |
| -31-605-24A |
138×138 |
144×144×97 |
1200 |
24路 |
| -31-603-12B |
111×111 |
120×120×114 |
700 |
复合开关或可控硅 |
12路 |
| -31-603-21B |
111×111 |
120×120×114 |
900 |
21路 |
| -31-605-24B |
138×138 |
144×144×97 |
1200 |
24路 |
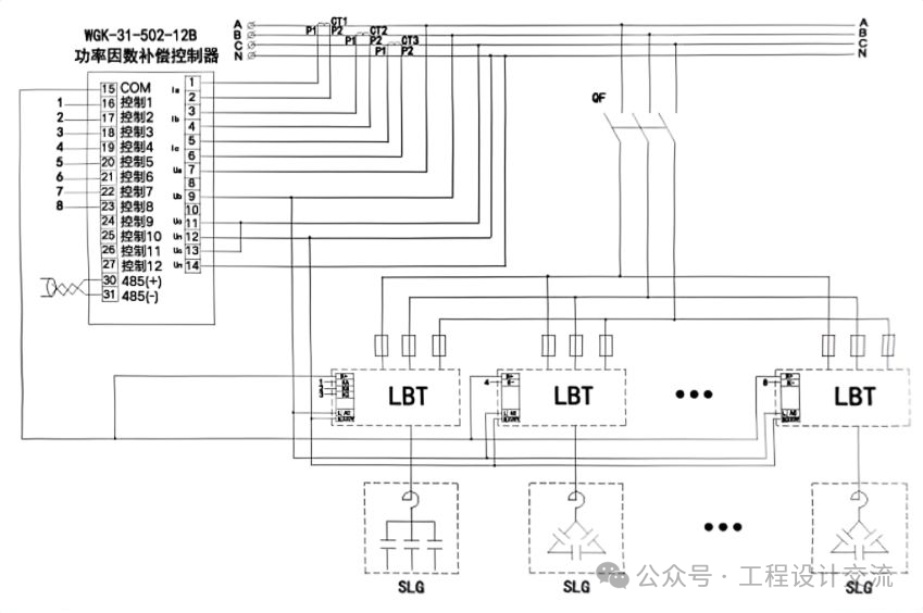
4.补偿方式A(静态)与B(动态)的控制器的不同接线方式
1.静态补偿控制接线

2.动态补偿控制接线

二、动态投切单元(可控硅)
FT系列动态投切单元是无触点快速投切开关,采用可控硅作为核心开关器件,搭配专门的控制驱动电路,适用于动态功率因数补偿设备,实现无涌流快速投切。

(一)核心技术参数
| 参数类别 |
具体要求 |
| 工作电源 |
AC220V±20% |
| 投切容量 |
15~60kvar |
| 控制电压 |
5~15V DC |
| 冷却方式 |
主动风冷 |
| 环境条件 |
工作温度:-25℃~+70℃;环境湿度≤85%;最大海拔≤1000米 |
| 外形尺寸 |
120×216×178mm |
| 安装孔位尺寸 |
35×198mm |
(二)选型表(含市场指导价)
| 型号 |
补偿方式 |
投切容量(kvar) |
市场指导价(元) |
| T15/G |
共补(G) |
15 |
1400 |
| T20/G |
共补(G) |
20 |
1400 |
| T25/G |
共补(G) |
25 |
1400 |
| T30/G |
共补(G) |
30 |
1400 |
| T40/G |
共补(G) |
40 |
1920 |
| T50/G |
共补(G) |
50 |
1960 |
| T60/G |
共补(G) |
60 |
2140 |
| T15/F |
共分结合(F) |
15 |
1600 |
| T30/F |
共分结合(F) |
30 |
1600 |
| T45/F |
共分结合(F) |
45 |
2400 |
| T60/F |
共分结合(F) |
60 |
2400 |
三、复合开关
FK系列低压复合开关融合可控硅过零投切无涌流与交流接触器运行无功耗的双重优势,避免可控硅发热与接触器投切火花缺陷,采用磁保持继电器在吸合与断开的瞬间不会产生涌流和火花,机械寿命达百万次,适用于长期稳定运行场景。

(一)核心技术参数
| 参数类别 |
具体要求 |
| 额定电压 |
AC380V±20% |
| 投切容量 |
15~50kvar |
| 控制电压 |
DC12V |
| 环境条件 |
工作温度:-25℃~+55℃;环境湿度≤85%;最大海拔≤1000米 |
| 外形尺寸 |
110×160×77mm |
| 安装孔位尺寸 |
96×146mm |
(二)选型表(含市场指导价)
| 型号 |
补偿方式 |
投切容量(kvar) |
市场指导价(元) |
| K15/G |
共补(G) |
15 |
300 |
| K20/G |
共补(G) |
20 |
300 |
| K25/G |
共补(G) |
25 |
300 |
| K30/G |
共补(G) |
30 |
350 |
| K40/G |
共补(G) |
40 |
350 |
| K50/G |
共补(G) |
50 |
400 |
| K15/F |
共分结合(F) |
15 |
350 |
| K20/F |
共分结合(F) |
20 |
350 |
| K25/F |
共分结合(F) |
25 |
350 |
| K30/F |
共分结合(F) |
30 |
350 |
四、产品核心参数对比
| 设备类型 |
核心优势 |
适配场景 |
价格区间(元) |
| -L/-M系列控制器 |
组网能力强(32台),支持温度测量与报警 |
中大型无功补偿系统 |
700 |
| G系列控制器 |
输出路数多(12-24路),支持静动态补偿 |
复杂负荷场景 |
700-1200 |
| FT系列投切单元 |
动态响应快,无涌流 |
动态负荷(电机、变频器场景) |
1400-2400 |
| FK系列复合开关 |
低功耗,长寿命,性价比高 |
相对静态负荷(照明、办公设备) |
300-400 |
五、选型逻辑与注意事项
-
补偿方式匹配:根据系统无功分布特性,三相负荷均衡选“共补(G)”,三相负荷不均衡选“共分结合(F)”;采用模块式电容式宜匹配选用-L/-M系列控制器。
-
容量适配:投切单元/复合开关容量需与补偿电容容量一致,控制器输出路数需覆盖补偿回路数量。
-
工况适配:动态负荷(如电机频繁启停)选“动态补偿(B类控制器+FT系列投切单元)”,相对静态负荷选“动态补偿(B类控制器+FK系列复合开关)”。
-
安装尺寸:控制器按开孔尺寸预留安装位,投切单元与复合开关需按安装孔位固定,确保散热空间.
-
环境要求:避免在高温、高湿、高海拔环境使用,超出范围需采取降温、防潮措施.
-
通讯配置:需远程监控时,确保控制器通讯接口(RS485/网线)与监控系统兼容,支持MODBUS-RTU协议。
-
设备安装前需核对电压、容量等参数,确保与系统匹配;接线时需区分电源、信号、输出端子,避免短路;定期检查绝缘状态与投切动作可靠性,确保安全运行。
|