德国SCHNEEBERGER滚柱滑块导轨MRW35D相关参数
时间:2022-09-25来源:佚名
|
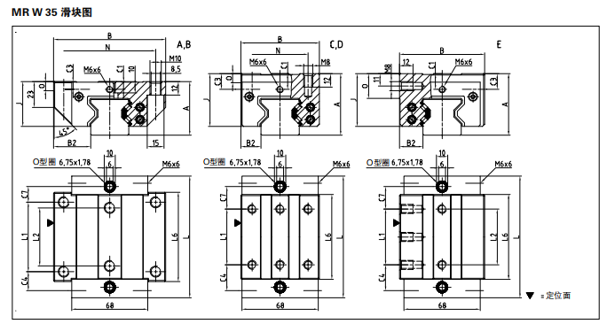
MRW35D是滚柱滑块,窄高加长型,也是新型号,可替换老型号MRD35
施耐博格滚柱直线导轨刚性好,能承受很大的动态载荷和静态载 荷,运行平稳,滑块全密封。它特别为机床行业设计,保证了机床加工精度和工件 MR导轨配件: 塑料堵头
|
|
MRW35D是滚柱滑块,窄高加长型,也是新型号,可替换老型号MRD35
施耐博格滚柱直线导轨刚性好,能承受很大的动态载荷和静态载 荷,运行平稳,滑块全密封。它特别为机床行业设计,保证了机床加工精度和工件 MR导轨配件: 塑料堵头
|






