电动机综合保护器原来有8个接线桩买到的只有5个接线桩头怎么接线
时间:2022-11-07来源:佚名
|
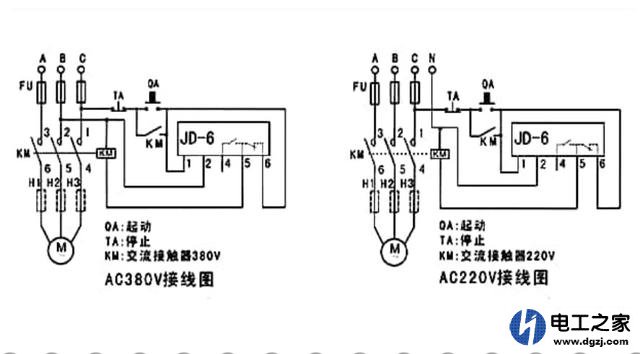
估计你现在买的电动机综合保护器是德力西JD-6。见下图所示。 ![]() 是否能够直接替换,你要看原来保护器的输入交流电源的电压是多少伏的;现在购买的德力西JD-6有两种输入电压的,一种是电压为220V的(需要一根工作零线N和一根相线),另一种是电压为380V的(两根相线)。 原来8个接线柱的保护器可能是输入电压为220v、380v、660v多种电压混合在一起的,这里你可以把原来的保护器输入的盖壳看一看是不是这样的。另外保护器是把内部继电器的常闭、常开触点都引出来了,其中包括现在买的德力西JD-6型号的电动机综合保护器。下面本人给你一个两种保护器的接线图,5个接线端子,将电源输入与三个继电器常闭、常开,靠电源二个接线柱中间的一个接线柱空着即可。看上面第一个实物图,我用红色箭头标注的接线端子不接。 其实这个接线端子可以串联接一个220v的指示灯,灯亮则表示保护器停止工作了,灯灭表示保护器工作了。 详细把你自己买的电动机综合保护器的说明书看一看,对照本人给的接线图搞明白即可。顺藤摸瓜也比较简单,因为就是一个停止按钮(串联在启动按钮上,一个启动按钮串联在控制线路中,启动按钮的两个头与交流接触器的一组常开触点并联完成自锁过程)。 |









