电机按钮互锁正反转控制的电路图与工作原理
时间:2022-11-23来源:佚名
|
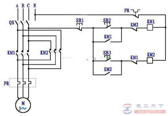
按钮互锁的正反转控制电路动作原理,与接触器互锁的电击正反转控制电路原理基本相似。 电机按钮互锁正反转控制电路图其控制电路,如下图:
但由于采用了复合按钮,当按下反转按钮SB3时,使接在正转控制电路中的SB2常团触头先断开,正转接触器KM1线圈断电,KM1主触头断开,电动机M断电;接着反转按钮SB2的常开触头鬲合,使反转接触器KM2的线圈获电,KM2主触头闭合,电动机反转。 既保证了正反转接触器KMI和KM2不会同时接通电源,又可不按停止按钮SB1而直接按反转按钮SB2进行反转启动。同理,由反转按钮转换成正转运行的情况,也只要直接按正转按钮即可。 这种电机正反转电路的优点是操作方便,缺点是容易产生短路故障。如正转接触器主触头发生故障,熔焊分断不开时,若按反转按钮进行切换,则会产生短路故障,因此单用按钮互锁的控制电路还不太安全可靠。 一例电机正反转控制电路的实物接线图
有关电机正反转控制的接线图,在电路中实现电机的正转与反转,需要对调电源的相序,称为换相,究竟应该怎么来接线,这里分享一例电机正反转控制电路的实物接线图,供大家参考。 电机正反转控制原理图与接线图
有关电机正反转控制的原理图与接线图,三相异步电动机的正转与反转工作原理,电机正反转控制电路中交流接触器联锁触头KM1与KM2的作用。 三相电机正反转控制电路图及原理
本文介绍了三相电机实现正反转控制的电路图,通过多个电气原理图来讲解电机正反转控制的执行过程,整个正反转控制电路图中,涉及到断路器、正转接触器与反转接触器等元件。 |



正反转控制电路图及原理详解" width="540" height="375" />




