一例电动机加密控制线路
时间:2022-11-23来源:佚名
|
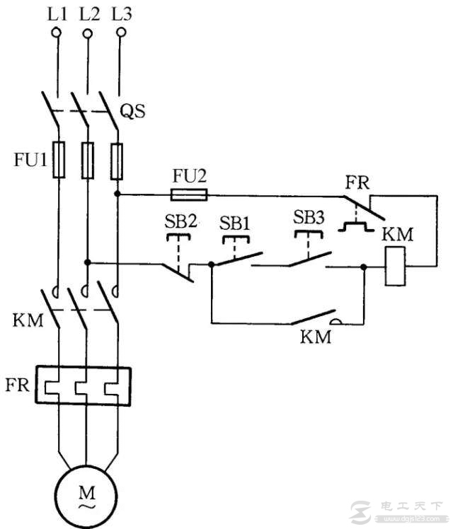
为了防止误操作电气设备,防止非操作人员启动某些设备开关按钮,可以采用加密的电动机控制线路,如下图。
图1:加密的电动机控制线路 在实际操作时,先按下SB1按钮,确认无误之后,同时按下加密按钮SB3,这样控制回路才能接通,KM线圈才能吸合,电动机M才能转动起来。 非操作人员不知哪一个是加密按钮(加密按钮装在隐蔽处),故不能操作该设备开关。 |
|
为了防止误操作电气设备,防止非操作人员启动某些设备开关按钮,可以采用加密的电动机控制线路,如下图。
图1:加密的电动机控制线路 在实际操作时,先按下SB1按钮,确认无误之后,同时按下加密按钮SB3,这样控制回路才能接通,KM线圈才能吸合,电动机M才能转动起来。 非操作人员不知哪一个是加密按钮(加密按钮装在隐蔽处),故不能操作该设备开关。 |





