一文看懂电机正反转电路的接线图
时间:2022-11-27来源:佚名
|
有关电机的接线方式,电动机正反转电路的接线方法,在整个正反转电路中需要用到的电气设备有断路器、接触器、热继电器等,一文看懂电机正反转电路的接线图,一起来学习下。
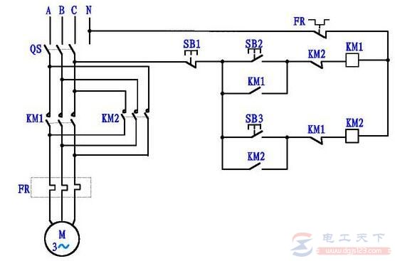
上图中是三相电机正反转电路图。QS为断路器,KM1正转接触器,KM2反转接触器,FR热继电器,SB1停止按钮,SB2正转启动按钮,SB3反转启动按钮。
上图中若给带电部分标成红色,没合断路器QS之前,只有断路器上火带电。
合上QS,图中控制回路部分可以看出,SB2、KM1、SB3、KM2常开点都为断开状态,无论正转还是反转接触器线圈都不得电,所以电机停止状态。
按下正转启动按钮SB2,KM1线圈得电吸合。KM1主触点闭合,电机正转。 |












