一例异步电动机短接制动的控制电路图
时间:2022-11-28来源:佚名
|
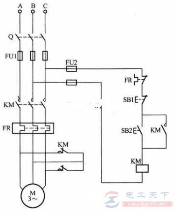
异步电动机短接制动控制电路图 在定子绕组供电电源断开时,把定子绕组短接,定子存在剩磁,就会形成转子旋转磁场,此磁场切割定子绕组,从而在定子绕组中感应电动势。 由于定子绕组已被KM常闭触短接,在定子绕组回路中有感应电流,该电流与旋转磁场相互作用产生制动转矩,就会迫使转子停转。 控制电路如图:
以上这种制动方法,适用于小容量的高速异步电动机及制动要求不高的场合,短接制动的优点是无需特殊的控制设备,简单易操作。 |






