水泵扬程是什么
时间:2022-11-28来源:佚名
|
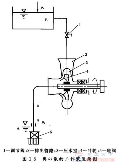
水泵有很多种类型,离心式水泵略是其中一种,下图即为离心泵的结构示意图,叶轮的轴直接或通过皮带用动力机械(电动机或柴油机等)相连。 在抽水时,先在泵壳中灌满水,动力机械转动,带动离心泵的叶轮转动,驱动泵壳中的水转动,水被叶轮甩入出水管中(类似下雨转动雨伞将水甩出),叶轮附近形成真空,低处的水在大气压的作用下,推开底阀沿进水管进入泵壳。然后,被叶轮甩入出水管,只要叶轮在旋转,低处的水不停地被抽到高处。
离心泵将水提升的高度,被称为扬程,通过对离心泵的工作原理进行分析,可知离心泵的实际扬程由两部分组成:一部分是从水面到泵壳,在这个过程中,水被大气压压上来,但总是被认为是水泵吸上来的,所以,叫吸水扬程,根据液体压强公式算出最大压水扬程约10m,这是理论最大压水扬程,由于密封程度、摩擦等原因,实际压水扬程都小于10m,有些只能达到五六米。 第二部分是从泵壳到出水管中水达到的位置,吸水扬程受到大气压的限制,压水扬程视动力设备的功率不同而不同,比如人向空中抛石块,人的力量越大抛的越高。 对于离心泵,一般动力设备的功率越大,将水压的越高,也就是压水扬程越大,最高可达2千多米。 所以,水泵的实际扬程=实际吸水扬程+实际压水扬程。 |







