家庭用配电箱接线图及家用配电箱的安装要点
时间:2022-12-10来源:佚名
|
家庭用配电箱接线图,本文重点介绍家庭配电箱安装的知识,以及家庭配电箱接线图,帮助大家认识与掌握家庭配电箱的相关知识。 家庭用配电箱接线图家庭电路的铺设很重要,家庭配电箱安装涉及到家居用电的安全。 本节重点介绍家庭配电箱安装的知识,以及家庭配电箱接线图,帮助大家认识与掌握家庭配电箱的相关知识。 一、家庭配电箱
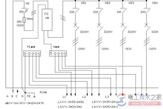
1、家庭配电箱分金属外壳和塑料外壳两种,有明装式和暗装式两类,其箱体必须完好无缺。 2、家庭配电箱的箱体内接线汇流排应分别设立零线、保护接地线、相线,且要完好无损,具良好绝缘。 3、空气开关的安装座架应光洁无阻并有足够的空间。 二、家庭配电箱安装要点 1、家庭配电箱应安装在干燥、通风部位,且无防碍物,方便使用。 2、家庭配电箱配电箱不宜安装过高,一般安装标高为1.8米,以便操作 3、进配电箱的电管必须用锁紧螺帽固定。 4、若家庭配电箱配电箱需开孔,孔的边缘须平滑、光洁。 5、配电箱埋入墙体时应垂直、水平,边缘留5—6毫米的缝隙。 6、配电箱内的接线应规则、整齐,端子螺丝必须紧固。 7、各回路进线必须有足够长度,不得有接头。 8、安装后标明各回路使用名称。 9、家庭配电箱安装完成后须清理配电箱内的残留物。 家庭配电箱接线图在进行安装时也是必不可少的,来看几幅详细的接线图。
水电安全是实现安居的一个重要环节,希望以上家庭配电箱安装的知识及家庭配电箱安装图,可以帮助到大家。 |













