电动机正反转控制电路:倒顺开关机构图与接触器互锁电气控制电路
时间:2022-12-11来源:佚名
|
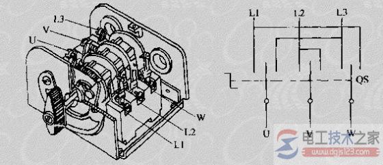
有关电动机正反转控制电路图,采用倒顺开关,直接调换两相的接线,将接至电动机的三相电源线中的任意两相对调,实现电动机的反转。 电动机正反转控制电路在生产加工过程中,除了要求电动机实现单向运行外,往往还要求电动机能实现可逆运行。 如改变机床工作台的运动方向,起重机吊钩的上升或下降等。 由三相交流电动机的工作原理可知,如果将接至电动机的三相电源线中的任意两相对调,就可以实现电动机的反转。 最简单的方法是采用倒顺开关,直接调换两相的接线即可。
图1,倒顺开关机构图 倒顺开关正反转控制电路所用电器少,线路简单,但这是一种手动控制线路,频繁换向时操作人员的劳动强度大、操作不安全。 因此一般只用于控制额定电流10A、功率在3kW以下的小容量电动机。电工技术之家 在生产实践中,对于频繁正反转的电动机采用什么样的控制方法?
图2,接触器互锁电气控制电路 动作分析:
图3,电动机控制电气互锁电路 在一个接触器得电动作时,通过其辅助动断(常闭)触点使另一个接触器不能得电动作的作用,称为互锁(也称联锁),而这两对起互锁作用的触点称为互锁触点。 |











