鼠笼式电动机的软启动原理及特点
时间:2022-12-11来源:佚名
|
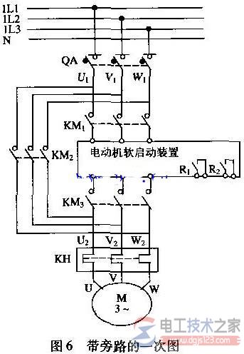
有关鼠笼式电动机的软启动原理及特点,软启动器实际上是一个调压器,输出只改变电压,不改变频率,软启动设备的四个优点。 鼠笼式电动机的软启动一、软启动设备的工作原理 在三相电源与电机间串入三相反并联晶闸管(可控硅整流器),利用晶闸管移相控制原理,启动时电机端电压随晶闸管的导通角从零逐渐上升,电机转速逐渐增大,直至达到满足启动转矩的要求而结束启动过程。 此时,旁路接触器接通(避免电机在运行中对电网形成谐波污染,延长晶闸管寿命),电机进入稳态运行状态,停车时先切断旁路接触器,然后由软启动器内晶闸管导通角由大逐渐减小,使三相供电电压逐渐减小,电机转速由大逐渐减小到零,停车过程完成。 启动时,使晶闸管的导通角从0开始,逐渐前移,电机的端电压从零开始,按照预设函数关系逐渐上升,直到达到满足启动转矩而是电动机顺利启动,再使电机全电压运行。 从工作原理上看,软启动器实际上是一个调压器,输出只改变电压,并没有改变频率。这一点与变频器不同。 二、软启动设备的优点 软起动的优点: 1)起动时无冲击电流,通过逐渐增大晶闸管导通角,使起动电流从零线性上升至设定值; 2)属恒流起动,软起动器可引入电流闭环控制,使电动机在起动过程中保持恒流,确保电动机平稳起动; 3)可根据负载情况及电网继电保护特性选择,能自由地无级调整至最佳的起动电流。 来自:电工技术之家 4)可以频繁的启动电动机,软启动允许10次/小时,而不致电动机过热。 (笼型电动机传统的减压起动方式有:Y-△起动、自耦减压起动、电抗器起动等,皆属于有级减压起动,其缺点是在起动过程中会出现二次冲击电流。)
当电动机全速运行后,用旁路接触器来取代已完成任务的软起动器,以降低晶闸管的热耗,提高系统效率。在这种模式下用一台软起动器起动多台电动机。
|












