电动机的制动方式
|
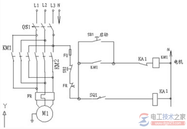
有关电动机的制动方式,电动机的制动,使电动机产生一个与它的旋转方向相反的转矩(称为制动转矩),以阻止电动机旋转,制动转矩可以是电磁转矩,也可以是机械转矩。 一、电动机的制动方式
在一些生产机械中,有时为了限制电动机转速升高(例如电车下坡及起重机下放重物),有时需要电动机迅速地停车,这就需要对电动机进行制动。 制动对于提高劳动生产率和保证设备、人身安全是很重要的。-- 电工技术之家 所谓制动就是使电动机产生一个与它的旋转方向相反的转矩(称为制动转矩),以阻止电动机旋转。 制动转矩可以是电磁转矩,也可以是机械转矩。但其共同点是与电动机的旋转方向相反,起制动作用。机械制动一般采用电磁抱闸制动。 常用的电力制动有反接制动,再生发电制动和能耗制动三种方式。 二、电机的制动方式及注意事项 电机制动是电机控制中经常遇到的问题,一般电机制动会出现在两种不同的场合,一是为了达到迅速停车的目的,以各种方法使电机旋转磁场的旋转方向和转子旋转方向相反,从而产生一个电磁制动转矩,使电机迅速停车转动;另一是在某些场合,当转子转速超过旋转磁场转速时,电机也处于制动状态。 电机制动方式一般分为:反接制动,能耗制动(直流制动)及再生制动三种方式,下面就这几种制动方式的原理及注意事项做简单介绍。 一、反接制动: 在电机断开电源后,为了使电机迅速停车,使用控制方法再在电机的电源上加上与正常运行电源反相的电源,此时,电机转子的旋转方向与电机旋转磁场的旋转方向相反,此时电机产生的电磁力矩为制动力矩,加快电机的减速。如下图示,利用开关Q将电枢两端的电压从电网断开,并立即将它接到一个制动电阻RL上,这时,电机内的主磁场保持不变,电枢因由惯性继续转动此时的点此力矩为制动转矩,故使电机转速下降,直到停转。 反接制动有一个最大的缺点,就是:当电机转速为0时,如果不及时撤除反相后的电源,电机会反转。 解决此问题的方法: 1、在电机反相电源的控制回路中,加入一个时间继电器,当反相制动一段时间后,断开反相后的电源,从而避免电机反转。但由于此种方法制动时间难于估算,因而制动效果并不精确。 2、在电机反相电源的控制回路中加入一个速度继电器,当传感器检测到电机速度为0时,及时切掉电机的反相电源。由于此种方法速度继电器实时监测电机转速,因而制动效果较上一种方法要好的多。正是由于反接制动有此特点,因此,不允许反转的机械,如一些车床等,制动方法就不能采用反接制动了,而只能采用能耗制动或机械制动。 二、能耗制动: 在定子绕组中通以直流电,从而产生一个固定不变的磁场。此时,转子按旋转方向切割磁力线,从而产生一个制动力矩。由于此制动方法并不是象再生制动那样,把制动时产生的能量回馈给电网,而是单靠电机把动能消耗掉,因此叫能耗制动。 又由于是在定子绕组中通以直流电来制动,因而能耗制动又叫直流注入制动。利用倒向开关开关Q把点数电压反接到电网,此时的电枢电流将变成复制,且电流大小相当,随之产生很大的制动性质的电机转矩,是电机停转。 能耗制动是单纯依靠电机来消耗动能来达到停车的目的,因而制动效果和精度并不理想。(www.gdzrlj.com)在一些要求制动时间短和制动效果好的场合,一般不使用此制动方法。如起重机械,其运行特点是电机转速低,频繁地起动、停止和正反转,而且拖着所吊重物运行。为了实现准确而又灵活的控制,电机经常处于制动状态,并且要求制动力矩大。而能耗制动则达不到上述要求。故起重机械一般采用反接制动,且要求有机械制动,以防在运行过程中或失电时,重物滑落。 三、再生制动: 再生制动和上述两种制动方法均不同。再生制动只是电机在特殊情况下的一种工作状态,而上述两者是为达到迅速停车的目的,人为在电机上施加的一种方法。 再生制动的原理:当电机的转子速度超过电机同步磁场的旋转速度时,转子绕组所产生的电磁转矩的旋转方向和转子的旋转方向相反,此时,电机处于制动状态。之所以把此时的状态叫再生制动,是因为此时电机处于发电状态,即电机的动能转化成了电能。此时,可以采取一定的措施把产生的电能回馈给电网。达到节能的目的。因此,再生制动也叫发电制动。 再生制动的应用场合: 1、起重机重物下降时,电机转子在重物重力的手动下,转子的转速有可能超过同步转速,此时,电机处于再生制动状态。这时,电机的制动转矩是阻止重物的下落,直至制动转矩和重力形成的转矩相等时,重物才会停止下落。 2、当变频调速时,当变频器把频率降低时,同步转速也随之降低。但转子转速由于负载惯性的作用,不会马上降低,此时,电机也会处于再生制动状态,直至拖动系统的速度也下降为止。 三、交流电动机的制动方式有几种?各有什么特点 交流电动机的制动方法主要有以下三种:-- 电工技术之家 1、机械制动 采用机械装置使电动机断开电源后迅速停转的制动方法。如电磁抱闸、摩擦片制动。 2、反接制动 在电动机切断正常运转电源的同时改变电动机定子绕组的电源相序,使之有反转趋势而产生较大的制动力矩。 3、能耗制动 电动机切断交流电源的同时给定子绕组的任意二相加一直流电源,以产生静止磁场,依靠转子的惯性转动切割该静止磁场产生制动力矩。 四、电机制动的方法有哪些? 电机的制动有两种: 1、机械制动:在切断电源后,利用机械装置使电机迅速停转的方法称为机械制动。应用较普遍的机械制动装置有电磁抱闸和电磁离合器两种。 2、电力制动:使电机在切断电源后,产生一和电机实际旋转方向相反的电磁力矩(制动力矩),迫使电机迅速停转的方法称为电力制动。常用的电力制动方法有反接制动和能耗制动等。 电力制动,原理如下: (1)反接制动是将运动中的电机电源反接,以改变电机定子绕组中的相序,从而使定子绕组的旋转磁场反向,转子受到与原旋转方向相反的制动力矩而迅速停转。 (2)所谓能耗制动,就是在电机脱离三相电源之后,在定子绕组上加一个直流电压,通入直流电流,产生静止的磁场,利用转子感应电流与该静止磁场的作用以达到制动的目的。 |









