电动机点动控制与互锁控制电路的要求
时间:2022-12-11来源:佚名
|
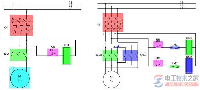
有关电动机点动控制与互锁控制电路的要求,点动单向运行,控制线路要求为手动按下按钮时,电动机开始运行,手松开按钮时,电动机停止运转,使两个接触器不同时得电闭合。 电动机点动控制及互锁控制电路点动单向运行时,控制线路要求:手动按下按钮时,电动机开始运行;手松开按钮时,电动机停止运转。 如图:
上图中,两个交流接触器的辅助动分触点的作用是使两个接触器不同时得电闭合,这种典型的控制环节称为互锁环节。 |






