频敏变阻器启动线绕转子异步电动机的控制电路图
时间:2022-12-11来源:佚名
|
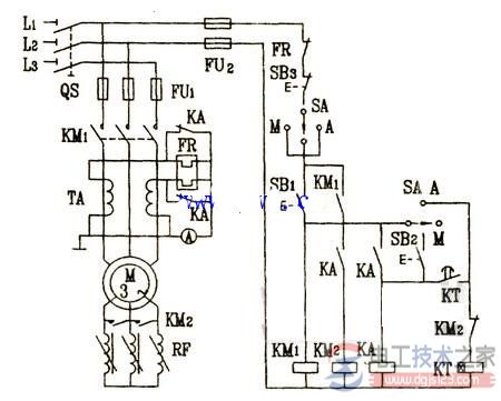
有关频敏变阻器启动线绕转子异步电动机的控制电路图,介绍了整个电路的启动过程,接触器KM1与时间继电器、电动机等的协同工作原理,感兴趣的朋友参考下。 频敏变阻器启动线绕转子异步电动机如图:
电动机的启动过程: 先合上电源开关QS后: 按下启动按钮SB1,接通接触器KM1,将电动机接上电源,转子电路串入频敏变阻器Rfs这时频敏变阻器的等值电阻与电抗的值都很大,限制了启动电流并提高了启动转矩。 时间继电器KT接通后,经过一段时间以后,它的延时闭合的常开触点闭合,接通中间继电器KA。 这时,电动机已经启动加速一段时间,频敏变阻器的等值电阻与电抗也很小了。 KA的动合触点闭合接通接触器KM2,它的动合触点闭合将频敏变阻器短接,启动过程遂告结束。 图中TA为电流互感器,它的原边串联在电动机定子电路里,副边接热继电器FR。 启动过程中,KA的常闭触电将FR的发热元件短接,以免因启动过程较长而使热继电器误动作。 |







