|
电动机位置控制与自动循环控制线路的电路图
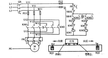
一、位置控制线路 (又称行程控制或限位控制线路)
位置控制就是利用生产机械运动部件上的挡铁与位置开关碰撞,使其触头动作,来接通或断开电路,以实现对生产机械运动部件的位置或行程的自动控制。
位置控制电路图如图1所示。

图1 位置控制电路图
线路的工作原理如下:先合上电源开关QS。
1.行车向前运动:

→行车停止前移。
2.行车向后运动:

停车时只需按下SB 即可。
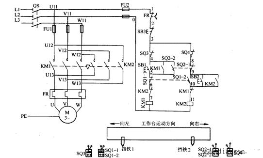
二、自动循环控制线路
有些生产机械,要求工作台在一定的行程内能自动往返运动,以便实现对工件的连续加工,提高生产效率。
这需要电气控制线路能对电动机实现自动转换正反转控制。由位置开关控制的工作台自动往返控制线路如图2所示。
它的右下角是工作台自动往返运动的示意图。

图2 工作台自动往返行程控制线路
自动循环控制线路的工作原理如下:先合上QS。

猜你喜欢:
漏电断路器(ELCB)
有关漏电断路器的安装,漏电断路器,需要选择在最低层分路,为最佳安装位置,装置漏电断路器的负载侧,不得再连接地线,一起来了解下。....
星三角起动电路中热继电器
有关星三角起动电路中热继电器的安装位置,星三角起动电路中热继电器安装在什么位置合适,其理由是什么,一起来了解下。....
配电箱安装位置
有关配电箱安装位置的几项原则,配电箱安装位置有什么要求,安装在什么位置合适,这里总结了四点,大家在安装配电箱时参考,配电箱位置安装合理,对其它设备的安装会有帮助。....
电动机手动行程位置控制的线路图
电动机手动行程位置控制的线路图与工作原理,行车运动(向前与向后运动)示意图,行车的两头终点处各安装一个行程开关SQ1和SQ2,位置开关的动断触头分别串接在正转控制电路和反转控制电路中。....
-
电动机手动行程位置控制
有关电动机手动行程位置控制的线路工作原理,行车前后各装有挡铁1和挡铁2,行车的行程与位置通过移动行程开关的安装位置进行调节,行车向前运动与行车向后运动的控制方法。....
|