一例电磁抱闸制动控制电路的工作原理分析
时间:2022-12-12来源:佚名
|
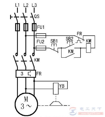
电磁抱闸制动控制电路 电路图如下所示:
工作原理及过程如下: 1、接通电源开关QS后,按起动按钮SB2,接触器KM线圈获电工作并自锁。电磁抱闸YB线圈获电,吸引衔铁(动铁芯),使动、静铁芯吸合,动铁芯克服弹簧拉力,迫使制动杠杆向上移动,从而使制动器的闸瓦与闸轮分开,取消对电动机的制动; 2、同时,电动机获电起动至正常运转。当停车时,按停止按钮SB1,接触器KM断电释放,电动机的电源被切断的同时,电磁抱闸的线圈也失电,衔铁被释放,在弹簧拉力的作用下,使闸瓦紧紧抱住闸轮,电动机被制动,迅速停止转动。 说明: 电磁抱闸制动,在起重机械上应用较广。当重物吊到一定高度, 当线路突然发生故障或停电时,电动机断电,电磁抱闸线圈也断电,闸瓦立即抱住闸轮使电动机迅速制动停转,可以防止重物突然落下而发生事故。 |








