一例电接点汞温度计控制电路的工作过程分析
时间:2022-12-12来源:佚名
|
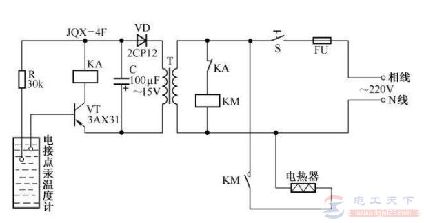
电接点汞温度计控制电路 电路图如下所示:
加热器由交流接触器的主触点控制,交流接触器的主触点又由交流接触器的线圈控制,而交流接触器的线圈又由中间继电器的常闭触点控制。 中间继电器的常闭触点,由中间继电器的线圈控制,中间继电器的线圈,串联在三极管Vt的集电极,当三极管导通时,中间继电器线圈得电, 而三极管的导通由电接点汞温度计控制。 当温度计所测量的温度达到设定值时,三极管的基极回路被接通,中间继电器的线圈得电,中间继电器的常闭触点KA断开,交流接触器的线圈失电,交流接触器的主触点断开,电热器断电停止加热。 当温度计没有达到设定值时,三极管的基极断开,三极管截止,中间继电器的线圈失电,中间继电器的常闭触点复位,交流接触器的线圈得电,主触点闭合,电热器通电加热。 电路中的T是降压变压器,把220伏的交流电变成15v的交流电,VD是整流二极管,C滤波电容,通过降压、整流和滤波产生的直流电为三极管提供工作点电压。 |








