松下彩电开关电源的电路原理图
|
分享松下彩电开关电源的电路原理图,开关电源的电路结构图,了解下松下彩电开关电源电路的结构组成与工作原理,以及松下彩电开关电源电路的工作过程等。 松下彩电开关电源原理图
开关电源的电路结构如图1所示。 220 V交流电源经三个线性滤波器L870,L871,L872滤波后由桥堆D801整流,C818滤波,再经开关变压器T801加到IC801的第1脚。 与此同时,输入交流电压经D808,R804,,805整流降压对C811充电。当充电电压上升到16.O V时,即IC801第5脚电压为16.0 V时,IC801 MOS场效应功率管开始导通,T801P2.P1绕组中便有电流流过,次级绕组V1,V2;S1,S5A;S6,S7;S3,S5B;S4,S5B中有感生电动势产生,其中V1,V2的感生电动势经D803整流,C811滤波后形成约14.7 V的直流电压,作为IC801第5脚的工作电压。 S1,S5A绕组中的感生电动势经D831整流、C833,L831滤波输出140 V的 B电压,供行输出电路使用;在此支路上,经R860,降压后,还产生一路 30 V直流电压供给主、副两个高频调谐器BT电源和场输出电源。 S6,S7绕组中的感生电动势经D830整流、C831滤波后由R833上输出 25 V直流电压,供伴音功率放大电路使用。 S3,S5B绕组中的感生电动势经D833双二极管整流、C836滤波后分三路输出:第一路经R834降压后,产生 12 V电压供机内小信号电路、稳压电路及保护电路等使用;第二路经L834滤波后,产生一个 14 V电源,供给画中画(PIP)电路使用;第三路经L845,R842,C840滤波后,提供给IC805三端稳压(AN7809-LB),再通过C841 滤波后产生一个 9 V直流电压,供全机小信号电路使用。 S4,S5B绕组中的感生电动势经R848,L840,D836整流、C843,L841,L844滤波后输出 5 V直流电压供CPU电源。电工天下
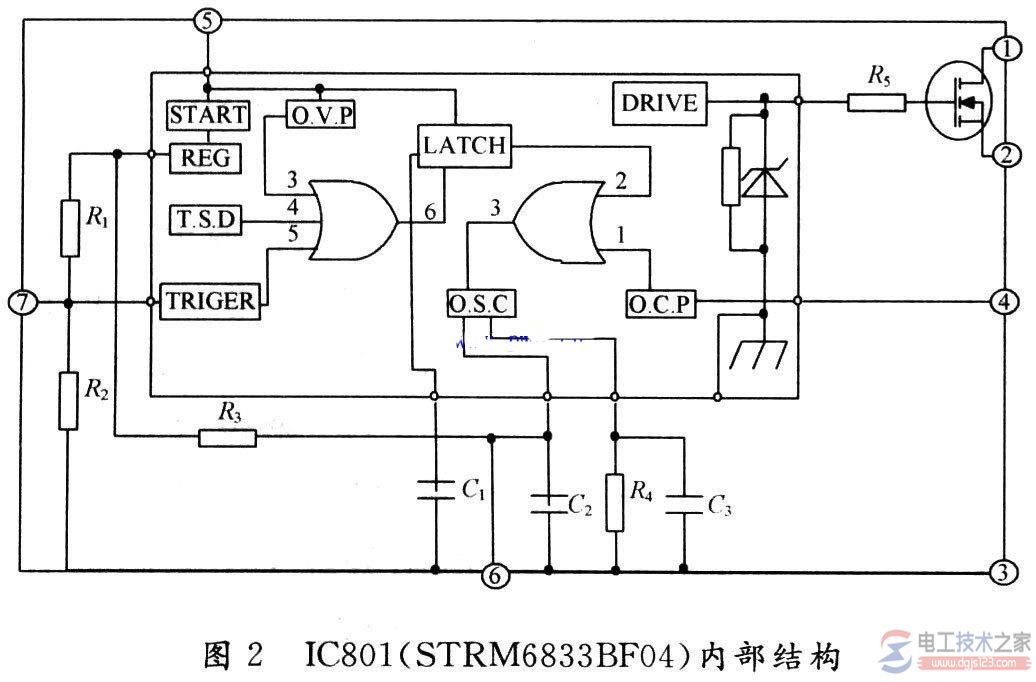
IC801(STRM6833BF04)为开关电源稳压及保护专用厚膜集成电路。 其工作过程是:当第5脚电压为16.0 V时,其内部的电容C3开始充电,其充电电压为3.0~5.0 V时,MOS功率管导通。与此同时,C2开始充电,当充电0.75 V时,振荡器停振荡,MOS功率管截止。 之后C2迅速放电至0 V,C3开始放电,电压从5 V缓慢下降,当G两端电压降为3 V时,振荡器重新起振,MOS功率管再次导通,如此周而复始。 实践证明:松下M18M机芯彩电用IC801(STRM6833BF04)为开关电源稳压及保护专用厚膜集成电路,已使用十余年无故障,可谓是一款品质超群的厚膜集成电路,内部结构如图2所示。 |







