一例顺序控制电路的工作原理分析
时间:2022-12-12来源:佚名
|
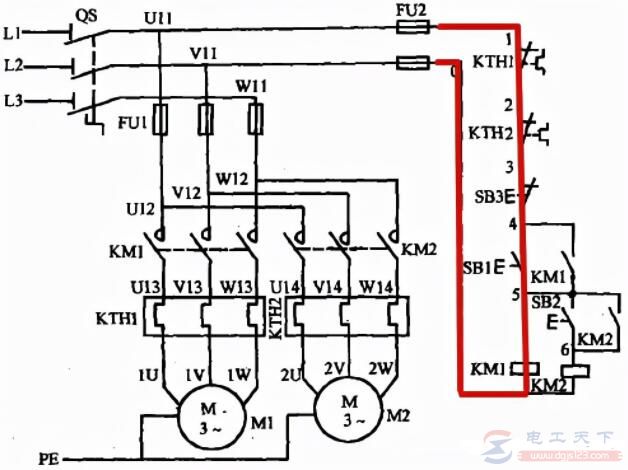
顺序控制电路 当某一机械设备上同时安装有2个及以上电动机时,为了保障正常运行,一般需要电动机按顺序启动。只有在电机1启动后,才可以启动电机2。
顺序控制电路原理: 1、闭合电源后按下按钮SB1->接触器KM1吸合->电机M1得电运行。
|
|
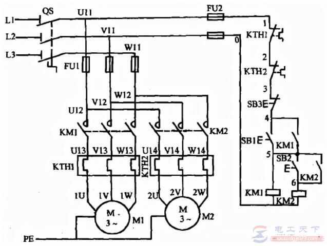
顺序控制电路 当某一机械设备上同时安装有2个及以上电动机时,为了保障正常运行,一般需要电动机按顺序启动。只有在电机1启动后,才可以启动电机2。
顺序控制电路原理: 1、闭合电源后按下按钮SB1->接触器KM1吸合->电机M1得电运行。
|








