一文看懂过流保护的动作原理
|
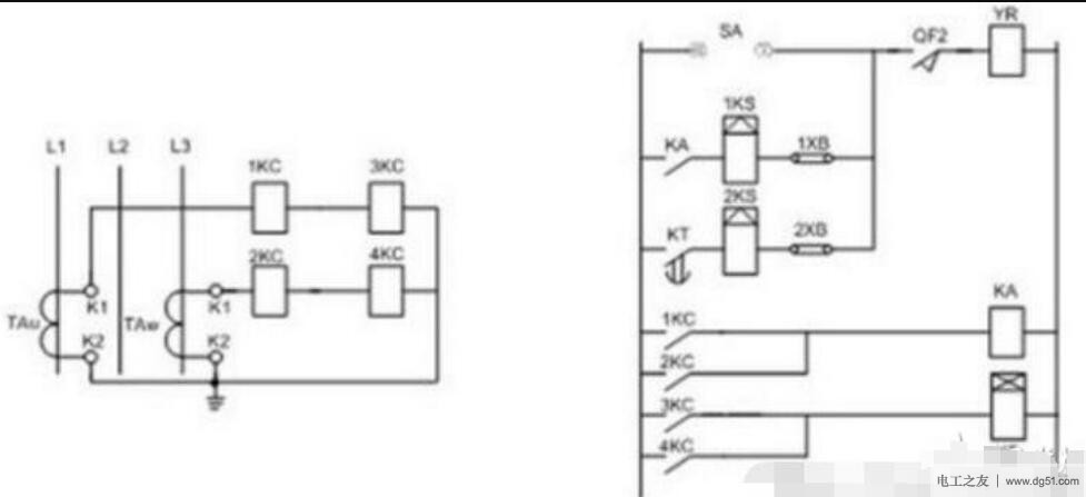
电网中发生相间短路故障时,电流突然增大,电压突然下降,过流保护按线路选择性的要求,整定电流继电器的动作电流。当线路中故障电流达到电流继电器的动作值时,电流继电器动作按保护装置选择性的要求,有选择性的切断故障线路。 定时限过流保护定时限过电流保护的动作时间是一个常数,它是固定不变的。不管短路电流多大,只要大于电流继电器的整定值,就能以固定的超定时间来动作,表现为定时限特性,即继电保护的动作时问与短路电流大小无关。 定时限过流保护的接线原理图,如下所示:
TA1、TA3 :电流互感器 1KA、2KA :电流继电器 WBC :控制小母线 FU1、FU2 :控制回路熔断器; SA :分合闸操作开关 R :信号灯串联电阻 HL-G :绿色信号灯 HL-R :红色信号灯; YA-N :断路器合闸线圈 YA-F :断路器跳闸线圈QF:断路器辅助接点 1KS、2KS:信号继电器; KM:中间继电器 KT:时间继电器 1XB、2XB:掉闸压板。 定时限过流保护的动作原理: 定时限过流保护,其动作时限与故障电流之间的关系为定时限特性,即继电器保护动作时限与系统短路电流的数值大小无关,只要系统故障电流转换成保护装置中的电流,达到或超过保护的整定电流值,继电保护就以固有的整定时限动作,使断路器掉闸,切除故障。当主电路出现过电流时,电流继电器3KA或4KA线圈获电,继电器的常开触点闭合,使时间继电器KT开始计时,计时结束。KT的常开触点(延时)闭合,并接通信号继电器2KS及跳闸线圈YA-F,从而实现断路器掉闸。速断保护是由电流继电器1KA或2KA控制中间继电器KM动作的(动作无延时),当1KA或2KA常开触点闭合,KM线圈获电后,KT的常开触点闭合,并接通信号继电器1KS及跳闸线圈YA-F,从而实现断路器掉闸。 电流回路中,1KC、2KC为速断保护元件,有较大的整定电流。3KC、4KC为过电流保护元件,有较小的整定电流。串接于同一电流互感器回路。在正常情况下,继电器均流过负荷电流,由于负荷电流小于速断保护元件和过电流保护元件的整定值,继电器不起动,保护不动作,断路器不跳闸。当变压器低压出线发生短路故障时,3KC(4KC)起动,接通时间元件KT,开始汁算时间,过电流保护元件动作顺序如下:3KC(4KC)→KT(线圈)→KT延时闭合接点→2KS→2XB→YR变压器高压侧断路器跳闸。当变压器高压侧发生短路故障时,速断保护元件1KC、2KC起动,速断保护元件动作顺序如下:1KC(2KC)→KA→1KS→lXB→YR断路器跳闸,切除故障点。 反时限过流保护的动作原理:
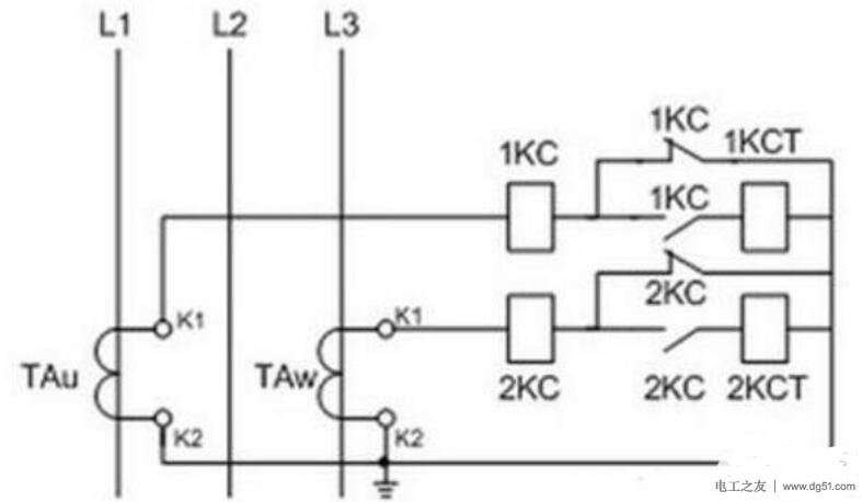
正常情况下,lKC,2KC过流继电器中流过经变换的负荷电流,由于该负荷电流小于继电器的整定值,感应转盘在负荷电流作用下匀速转动,继电器不动作,其常开、常闭接点不转换,过电流脱扣器(KCT)中无电流,断路器不跳闸。这时继电保护起监视作用。 当变压器低压出线回路短路故障时,故障电流大于lKC、2KC继电器整定值,感应过流元件也起动,经过规定的时间动作,接点转换,其常开接点先闲合,接通了过电流脱扣器线圈,常闭接点后打开,去分流作用消失,使短路电流全部通过断路器的过电流脱扣器,断路器可靠掉闸。 当变压器低压母线短路故障时,1KC,2KC:继电器感应过流元件起动(电磁元件不动作),经过反时限延时,接点转换,断路器跳闸。 当变压器高压侧发生短路故障时,短路电流大于电磁元件和感应元件整定值,两元件均起动,由于电磁元件动作,接点转换使断路器跳闸。 反时限过流保护:反时限过电流保护的动作时间是一个变数,随短路电流大小而变,短路电流大,动作时间快,短路电流小,动作时间慢,表现为反时限特性。即继电保护的动作时间与短路电流大小有关,成反比例关系。 |








