中级维修电工培训接线技巧
|
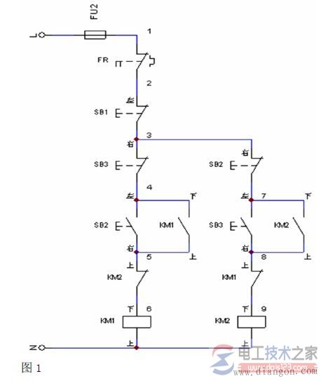
有关中级维修电工培训中的接线技巧,电工接线水平考量电工能力的高低,重点介绍了接线前的准备、统筹考虑接线顺序、掌握必要的接线工艺技巧等,有需要的朋友参考下。 中级维修电工培训知识在电工考工中接线的要求共四个,分别是正确性、合理性、经济性、美观性,通过考工的最低要求是正确性。 但因考工时的时间限制,怎么才能在有限的时间内,完成整个电路的接线,其接线的合理性,经济性、工艺性就显得尤为重要。这三个要求体现在接线上时,主要是用线短、少,线路分布合理,而用线越短、越少,分布越合理,其接线速度就越快。 在教学中发现,电机典型控制线路的原理、接线工艺要求、等内容在许多文献或者教材中都有详细的介绍,但关于接线技巧和工艺的讲解却比较少。学生在真正动手接线的时候,往往对着电路原理图却无从下手。 电机控制原理图一般分为主电路和控制电路两部分。主电路接线相对控制电路接线要简单些,从三相交流电源的接线端子到电机接线端子的走线大部分是比较固定的,指导老师只要稍加讲解,学生基本上都能轻松掌握。而控制电路的接线相对则要复杂些。在实践中,我们不断地改进和探索接线方法和接线技巧,取得了良好的效果。 一、接线前的准备 1.1 熟悉原理图、标出节点 俗话说“磨刀不误砍柴工”,在接线之前,把原理图搞懂搞通,是后面接线顺利不可或缺的一道程序。在实践中发现个别学生在接线过程中边看图边接线,或者干脆看着别人接线,自己一步一步的跟着接,既不能对自己的学习有所帮助,又不能提高自己的接线速度,而且导致错误百出。而有的学生事先花功夫把原理图烂熟于胸,接线时速度就很快,且正确率很高。 其次,在原理图上标注节点不失为一个很好的方法,节点可以用阿拉伯数字表示,按照自上而下、从左到右的原则进行标号。 以三相异步电动机正反转复合互锁控制电路为例,如图1 所示。 在复杂的控制电路中,学生在标注节点时容易出错,因此,要求学生每次标完后,都要判断任意两个相邻的节点间有无触点,若有,则正确,否则,节点标注重复,需改正。 1.2 标出各器件触头的进出方向 电工线路板上不同器件位置分布基本上是固定的,如图2 所示。图中将器件上的触点都画在了同一平面上。如接触器的常闭触点、常开触点、主触点以及线圈,都被画在了同一平面上。因此,接触器每个触点的两端以及线圈的两端有上下之分。( 电工之友)根据按钮的位置特点,我们把按钮的常开、常闭触点的两端分为左右。在标注时一般默认接触器线圈的上端接零线,因此我们把“上”标在接触器线圈接零线的地方,如图所示。若遇到接触器到按钮之间的接线时,根据线路不交叉的要求,一般按照“上”到“右”、“下”到“左”的规则标注。 1.3 画出模拟接线图 根据所标节点及各器件触头的进出方向, 在分布图上标上线号,如图2 示。以线号L4-2 为例。用字母L 代表线的英文首字 母,第一个数字代表4 号节点,第二个数字代表该4 号节点上的第2 根线。同一根线上的两端标上同样的线号,代表这根线的起始位置。由于考工要求用线短、少,线路分布合理,因此我们采用就近原则。以3 号点为例,从图中看出,3 号点上要连3 个触点,由串联的特点得出需要2 根线,根据图位置分布图,我们发现最经济、最合理的走线方式是:SB1 常闭触点(右)-SB2 常闭触点(右)-SB3 常闭触点(右)。采用这个方式每一段的线路比较短,因此,在一定程度上也提高了接线速度。这个方法对于复杂的控制电路接线更加实用。
二、统筹考虑接线顺序 在接线的过程中发现,如果把主电路的线接完再接控制电路,就会感觉有些磕磕绊绊,不太好走线,于是尝试只把主电路的线接到熔断器,后面的部分暂时不接,等到把控制电路接完,再回头接主电路,这样接线就会比较顺畅。当然,也有例外。 比如,主电路中交流接触器之间的并线如果留到控制电路接完后再接,会感觉比较困难,这部分并线反而可以在接控制电路之前预先接好。 还有,有时候在不影响电路功能的前提下,为了既能少用线又可以降低接线难度,提高接线效率。可以对电路当中的触点的接线顺序稍作改动。 三、掌握必要的工艺技巧 在接线过程中,有些学生接线工艺很差,原因是没有掌握一些小技巧,可以通过如下方法提高工艺水平。 1、接线之前利用课余时间先将导线拉直,既能减少接线过程中处理导线的时间,又能防止接线过程中出现导线弯曲现象。 2、对于需要“落地”(贴在板上)的导线,为了防止翘线现象,在拧上螺丝之前,对于加工完成的导线先放在较平坦的桌面上观察一下,如有翘线现象等处理完成后再将导线安装到位,拧上螺丝,这样接好的线就会紧贴电工板,不会出现翘线现象。 当然,在实践中可以用到的技巧还有很多,一些学生会创造性地使用一些办法来提高接线工艺,这些都值得我们提倡。从以前几届学生看,通过技能培训,取得了很好效果,学生中级考工的通过率也有了很大的提高。 可见技巧的采纳可以有效地避免漏接、错接和重复接线等现象而且大大提高了工艺水平。 |









