安全继电器的原理是什么?安全继电器工作原理及接线方法详解
|
我们都知道安全继电器是由数个继电器与电路组合而成,为的是要能互补彼此的异常缺陷,达到正确且低误动作的继电器完整功能,使其失误和失效值愈低,发生故障时做出有规则的动作确保实现急停、光栅或安全门等安全功能,比如基本型继电器的常开和常闭触点通过机械联锁互连, 从而防止常开和常闭触点同时闭合。连接到对应的电路后,继电器可靠检测到触点故障, 从而保护暴露於不同等级之危险性的机械操作人员。 安全继电器原理及接法 安全继电器有效的提供了人与设备的安全解决方案。紧凑的设计,灵活地应用,和可调整的连接选项,让这个设备应对所有的安全功能,拥有了决定性优势。
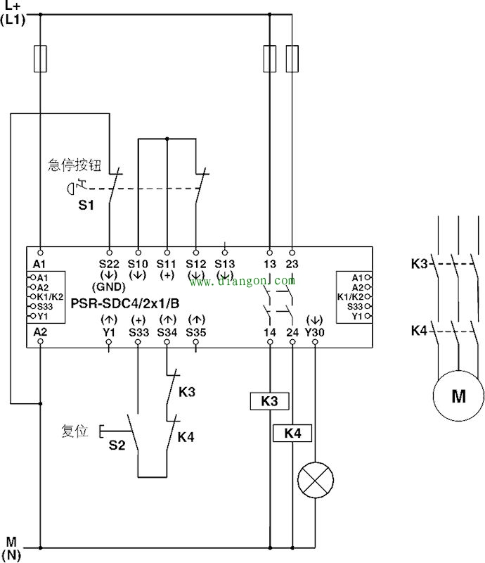
1.电源的接法。 图中A1和A2为电源端子,A1 接24V ;A2接0V。2.在控制输入电路中,正常使用时,需要在S11和S12 以及 S11和S22之间接入所需要的开关条件。一般为触点或者按钮接点。3.在复位电路中,S33和S34之间需要接入相应的复位条件。与此同时,Y1和Y2之间的条件也是复位电路的一部分,两者条件必须同时成立。 双通道急停监视电路图
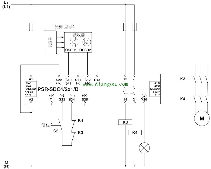
光栅监视电路图
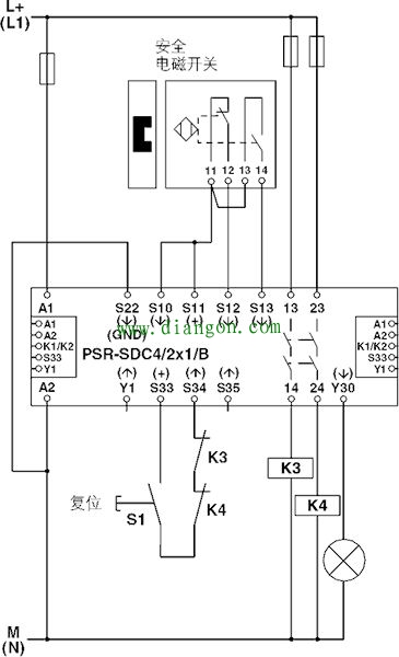
双通道磁性开关监控电路图
安全继电器的工作原理 安全继电器具有强制导向接点结构,是一个安全回路中所必须的控制部分,它接受安全输入,通过内部回路的判断,确定性的输出开关信号到设备的控制回路里。简单地说,安全继电器都是双通道信号型,只有两个通道信号都正常时,安全继电器才能正常工作;在工作过程中,只要其中任一通道信号断开,安全继电器都会停止输出,直到两个通道信号都正常且复位后才能正常工作。 要求 1、在紧急停止解除时,机器不能出现突然再启动; 2、万一机器安全电路发生故障时,可以停止机器动力电源; 3、安全电路发生故障时,机器不能再启动;单靠双重化是不行的。 双重化是必要的,但是除此之外,比如如下几个条件,双重化电路的互相检查,确认所有安全电路已经断开一次,必要时由作业者操作便可以启动等条件。 还有从另一个角度来说,输入的开关接线短路或电线外皮破损而引起的接地的可能性时,必须预防因此而引起的机器突然启动。 实际上,为了方便安全电路的构成,将安全继电器和其他组件组合配套,把基本的紧急停止电路、安全电路组成电路模块的产品称为安全继电器模块。 |











