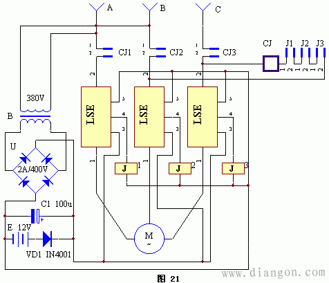
该装置的电路工作原理见下图。在A、B、C三相中均串入LSE器件。当三相电力线均完好时,LSE的④脚输出高电平,此时继电器J1、J2、J3均处于吸合状态,从而使三相交流接触器CJ吸合,其触点CJ1、CJ2、CJ3自保,电动机M正常工作。如果A、B、C三相电源中有任意一相断开,将导致其中一只LSE的①、②脚间呈断开状态,相应的LSE器件上的④脚就会变为低电平,其继电器J就会释放。由于其触点j1、j2、j3在CJ的回路中呈与门的逻辑关系,故只要其中的任一只触点断开,均会导致CJ断电释放,从而使得CJ1、CJ2、CJ3触点全部断开,保护了电动机M。电路中设置了12V直流电源,是使该电路万无一失。
 |