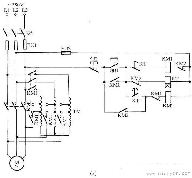
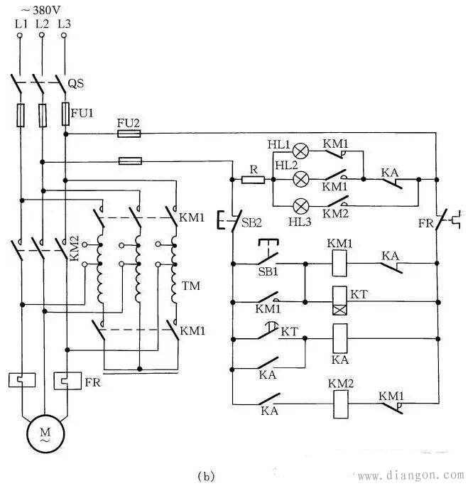
对容量较大的220/380V△/Y形笼型电动机不能用Y-△方法启动,可用自耦变压器及时间继电器完成自动控制启动。见图(a),只要按下操作按钮SB1,KM1吸合,进行降压启动,经一段时间,电动机达到额定转速后,时间继电器KT动作,KM1失电,KM2得电,电动机在全压下正常运转。按下SB2停止按钮,电动机便失电停转。而另一种采用自耦变压器与时间继电器启动控制的线路如图(b)所示,它的线路较完善,故在启动大型电动机时采用这种方法非常多见。工作时按下启动按钮SB1,电动机降压启动。待电动机启动完毕,通过时间继电器能自动转换为全压运行。另外图(b)中还加有指示灯线路,用于指示整个启动过程的情况。

