接触器自锁正转控制线路技能训练教学案例
时间:2023-03-07来源:佚名
|
一、学习目标
1、掌握三相异步电动机正转控制线路的组成及工作原理,能熟练画出其电路图。 2、掌握三相异步电动机正转控制线路的安装、调试与维修。 3、掌握欠压保护、失压保护和过载保护的功能。 二、学习任务 本项目的任务是安装与调试接触器自锁正转控制线路。要求线路具有电动机连续运转控制功能,即按下启动按钮,电动机运转;松开启动按钮,电动机仍能运转。能正确调试三相交流异步电动机正转控制线路,对线路出现的故障现象能正确快速地排除。 三、学习所需工具、设备 表1 工具、设备清单
注:导线规格中的BV是单芯铜导线的代号;BVR是橡胶塑料绝缘铜软线的代号。 四、电路安装 1、根据元件表,配齐所有元件,并检查元件质量。 2、根据原理图画出元件布置图。
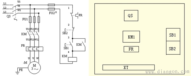
图1 元件布置图 3、 根据元件布置图安装元件,各元件的安装位置整齐、匀称、间距合理,便于元件的更换,元件紧固是用力均匀,紧固程度适当。元件安装后如图2。
图2 自锁正转控制线路元件布置 4、 布线。布线时以接触器为中心,由里向外、有低至高,先电源电路、再控制电路、后主电路进行布线,以不妨碍后续布线为原则。布线后如图3所示。
图3 布线后的自锁正转控制线路 五、注意事项 1、热继电器的热元件应串接在主电路中,辅助常闭触点应串接在控制电路中。 2、热继电器的整定电流应按电动机的额定电流自行调整。绝对不允许弯折双金属片。 3、在一般情况下,热继电器应置于手动复位的位置上。若需要自动复位时,可将复位调节螺钉沿顺时针方向向里旋足。 4、热继电器因电动机过载动作后,若需再次启动电动机,必须待热元件冷却后,才能使热继电器复位。一般自动复位时间不大于5min;手动复位时间不大于2min。 |







