|
推荐一个学习看电路图的方法,拿到一份图纸后认真看,仔细思考出图人为什么要这么做,也就是揣摩作者的意图。 等觉得差不多的时候,自己动手从新画一份实现同样功能的图纸。可以与作者一样,也可以有自己的思路。 1.输入模块

输入电路中有RC滤波电路(上图中R1和C),用来防止输入触点抖动或者干扰脉冲引起的误动作。 上图是S7-200的直流输入模块内部电路和外部接线图。图中只画出了一个回路。 其中1M是同一组输入点内部电路的公共端。 上图中按钮SB触电接通时,光耦合器T中的两个反向并联的发光二极管中的一个亮,右边的光敏三极管饱和导通,当SB断开时发光二极管熄灭,光敏三极管截止,这样就实现了外围电路与plc内部电路的连通。信号在经过PLC内部电路传送给CPU。 S7-200 系列PLC的输入端接线与三菱FX系列接线不同,三菱FX不需要外加直流电源,其电源是由系统内部提供。而S7-200 系列输入端必须接入直流电源。当然CPU模块一般提供DC24V电源。 因为光耦合器中有两个反向并联的发光二极管,所以可以改变外部DC24V电源的极性。 这样就形成了两种输入方式:漏型输入和源型输入。 下图两种接线图
 漏型输入:电流经外部开关流入PLC内部,1M端接电源负极。
 源型输入:电流从PLC内部流出经外部开关至电源负极,1M端接电源正极。 漏型输入:电流经外部开关流入PLC内部,1M端接电源负极。 初学者容易把源型和漏型两种接线混淆,告诉大家一个简单的记忆方法,从PLC端看,如果电流从输入I端流出为源型,电流从输入I端流入为漏型。 大家只要能记住有两种输入方式,公共端可以接电源正也可接电源负,只要注意每一组接成一样就行。 S7-200系列只有6ES7 221-1EF22-0XA0这一种型号可以接成交流输入,这里不多做介绍了。工程项目中尽量不要用交流输入。 1.输出模块 S7-200输出有两种:继电器输出和晶体管输出。 继电器输出可以驱动交流负载,也可以驱动直流负载。负载电源由外部提供。
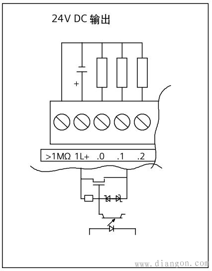
 上图左边是继电器输出电路,继电器起隔离和功率放大作用,每一路只提供一对常开触点。与触点并联的RC电路和压敏电阻用来消除触点断开时产生的电弧。 上图右边是晶体管的输出电路。输出信号经光耦合器送给晶体管,晶体管的饱和导通和截止相当于触点的接通和断开。晶体管输出电路的工作频率可达20~100kHz。 继电器输出模块的电压范围广,导通压降小,承受瞬时过电压和过电流的能力较强,但是相对于晶体管输出模块动作较慢,寿命有一定的限制。如果系统输出量的变化不是很频繁,建议优先选用继电器型的输出模块。 继电器输出可以接交流或直流,电压等级最高到220V。可以接24V/110V/220V交直流信号。但要保证一组输出接同样的电压(一组共用一个公共端,如1L、2L)。 晶体管输出模块用于直流负载,不能用于交流负载。比继电器输出模块反应速度快,寿命长,过载能力差。 继电器输出外围接线如下图所示:
 继电器输出接直流电源时,公共端接正或负都可以。 晶体管输出外围接线如下图所示:
 对于数字量输入输出电路来说,关键看能不能构成电流回路。输入输出点可以每组接不同的电源,电源之间可以没有联系。
|