互锁电路图及工作原理
时间:2023-03-07来源:佚名
|
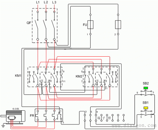
点动正反转接触器互锁控制 接触器KM1的常闭辅助触点(9,11)串联在接触器KM2的线圈回路,当接触器KM1工作吸合时,接点(9,11)断开,即使误操作按下按钮SB2,由于KM2的控制回路在(9,11)处是断开的,KM2的线圈也不能得电,KM2接触器就不会吸合.只有KM1停止工作,(9,11)恢复闭合状态后,按下SB2按钮,KM2接触器线圈才能得电吸合. 接触器KM2的常闭辅助触点(5,7)串联在接触器KM1的线圈回路,当接触器KM2工作吸合时,接点(5,7)断开,即使误操作按下按钮SB1,由于KM1的控制回路在(5,7)处是断开的,KM1的线圈也不能得电,KM1接触器就不会吸合.只有KM2停止工作,(5,7)恢复闭合状态后,按下SB1按钮,KM1接触器线圈才能得电吸合. 由KM1锁定KM2的工作,由KM2锁定KM1的工作.就避免了由于误操作造成接触器KM1和KM2同时吸合而引起的L1与L2短路的电气事故. KM1的控制:L2-FU-1(热继电器)3(SB1)5(KM2辅助接点)7 - KM1线圈-2-FU-L3 KM2的控制:L2-FU-1(热继电器)3(SB2)9(KM1辅助接点)11- KM2线圈-2-FU-L3 |








