高压柜的继电保护及电力监控仪表
时间:2023-03-07来源:佚名
|
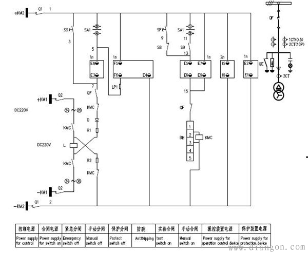
高压柜的二次回路图,其实就是看高压柜的继电保护及电力监控仪表图,而这些的数据采集基本来自电流互感器和电压互感器,而不同负载的高压柜的继电保护有不同,而测控基本都是差不多的,所以首先是分清楚哪一类负载,然后在根据继电保护的原理及信号来看图。万变不离其宗--电压互感器、电流互感器的出来的线--分清楚是保护用还是测控用,然后分清楚远控和手动合闸的回路等等。然后就是要分清楚继电保护的种类了,继电保护大都是由下列组成的: 一、根据反应电气量变化可构成不同原理的继电保护: 反应电流增大的过电流保护;反应电压降低(升高)的低电压(过电压)保护;反应电流与电压的比值及其相位角变化的距离(阻抗)保护。 二、根据信号采集处理方式不同,可分为模拟型和数字型两大类保护。 1、模拟型继电保护 又可分为机电型和静态型。机电型继电保护由若干个不同功能的继电器组成。这些继电器按其动作原理可分为电磁型、感应型、电动型、整流型继电器;按所反应电气量的不同又可分为电流、电压、功率方向、阻抗继电器等;根据在保护中的作用不同又可分为测量继电器(如电流、电压、功率方向等)和辅助继电器(如中间、时间、信号等)。由于这些继电器具有可动部分和机械触点,故称机电型继电器,由此类继电器构成的继电保护装 置称机电型继电保护。静态型继电保护是由晶体管或集成电路等电子元件构成的继电器所组成的保护装置。它具有体积小、重量轻、功耗小、灵敏度高、动作快等优点,可缩短保护配置的时间级差,加快保护切除故障的时间,提高系统稳定运行能力,近年来被广泛应用于机电型保护改造替代上。 2、数字型继电保护即微机保护随着计算机技术的发展不断完善。微机保护通过模!数转换器把测量回路的模拟信号转变为数字信号,由计算机芯片根据软件计算出结果输出到执行回路。微机保护可根据软件的不同构成不同原理的保护,且能根据系统运行方式的改变自动改变定值,使保护具有很大的灵活性。微机保护还具有自检功能,这是以往保护所不具备的,它能检查和判别保护本身的故障并及时处理或报警,大大提高保护装置的可靠性。而且微机保护能实现快速性的要求并兼有故障录波、故障测距、事件顺序记录和调度综合自动化功能,这对简化调度操作、保护的调试、事故分析和事故后的处理都有很大意义,也是今后继电保护发展的主流。 三、根据被保护对象的不同,继电保护又可分为元件保护即发电机、变压器、母线和电动机等元件的继电保护和线路保护(即电力网及电力系统中输电线路的继电保护)。 四、根据保护的作用不同,继电保护又可分为主保护、后备保护、辅助保护和异常运行保护。 1、主保护是指被保护元件内部发生各种短路故障时,能满足系统稳定及设备安全要求、迅速而有选择性地切除被保护设备或线路故障的保护。 2、后备保护是指主保护或断路器拒动时,用以将故障切除的保护。它可分为远后备保护和近后备保护两种。远后备保护是当主保护或断路器拒动时,由相邻电力设备或线路的保护来实现的后备保护。近后备保护是当主保护拒动时,由本电力设备或线路的另一套保护来实现的后备的保护。当断路器拒动时,由断路器失灵保护来实现后备保护。 3、辅助保护是为补充主保护和后备保护的性能或当主保护和后备保护退出运行而增设的简单保护。异常运行保护是反应被保护电力设备或线路异常运行状态的保护。 现在新设计的高压柜的二次回路,因微机保护器发展迅速,新的高压柜基本均采用微机保护测控单元,二次回路相对要简单点了,但是你必须根据微机保护厂家的不同的型号的说明书进行正确的设定,才能正确的完成保护功能。其关键是读懂微机保护的I/O端子接线图,而现在这个图类似plc一样,已经在设计图上标识很清楚,说明书也标识很清楚了。如下图,很容易分辨出信号了。 因是抓图,上图唯一没告诉你的是,这个图摘自给变压器送电的高压柜的原理图。你看出啥了么?感觉是不是少东西,高手啊,那我再补充点东东,这下齐全了么?还不全啊,还不全也只能这样了,据说图纸有版权的,咱也是悄悄的借用一下,借用不还的东东,不敢透露太多,请多多包涵!
我猜看到前面了有人肯定会糊涂,原因它没有看到下面的东东,这个东东你必须找到的,本来你上学的时候学到很好的,各种电气符合记得非常清楚的,可惜你现场看到的--或许设计师记不清那些符号和标识,他会自己设计符号和标识的,所以这个时候你一定的利用猜--当然假如他提供了如下类似的东东,你是绝对不能错过和它亲密接触的,原因图纸中是啥玩意,这图能<此处内容被屏蔽>。比如下图的这个设计师,就喜欢和我们玩--你猜你猜你猜猜猜的游戏,幸好他给出了这个玩意。SF绝对不是沙发(中文说的好网友认为是沙发),可人家实际作用是SB(按钮),HK1也不是香港(英文说的好网友认为是沙发),可人家实际作用还是SB(按钮),其他的你们补充。 |












