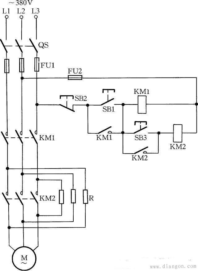
电动机手动串联电阻启动控制电路原理图解

时间:2023-03-07来源:佚名
当三相交流电动机标牌上标有额定电压为220/380V(△/Y)的接线方法时,不能用Y-△方法做降压启动,可用这种串联电阻或电抗器方法启动。

电动机手动串联电阻启动控制电路原理图解
线路如图所示。当需启动电动机时,按下开关按钮SB1,电动机串联电阻启动。待电动机转速达到额定转速后,再按下SB3,电动机电源改为全压供电,使电动机正常运行。

    相关阅读

    如何来初步鉴别三星贴片电容真伪

    三星贴片电容作为知名品牌的电容器,使用范围很广,用量很大,三星贴片电容的代理商也是多如牛毛。 如果选择到黑心代理商,三星贴片电容的质量得不到保障,一但将不合格的三星...
    2023-03-31
    如何来初步鉴别三星贴片电容真伪

    电压不稳会烧空调吗?空调电压不够怎么办

    " alt="空调电压不够"/> 电压不稳 会烧空调吗 ?会。空调的工作原理是通过压缩机将低温低压的制冷剂压缩成高温高压的制冷剂然后通过换热器将空气中的热量吸收从而达到制冷的效果,...
    2023-06-26
    电压不稳会烧空调吗?空调电压不够怎么办

    水电安装工程又出新猫腻,准备装修的您一定要注意

    水电安装工程,100平以下,4000元随便做。 这是业主和某装修公司签合同的时候,装修公司口头承诺的东西。咨询的时候,再三让业主确认是否属实,业主坚定的说属实,就因为这个4...
    2023-06-11
    水电安装工程又出新猫腻,准备装修的您一定要注意

    开关电源常见故障维修

    一、故障现象: 开机电源 指示灯不亮。 检查内容: 电源是否接好,闸刀是否闭合,如果是三相电源是否有缺相。 排除方法: 接好电源,闭合闸刀 二、故障现象: 电源指示灯正常、风机正...
    2023-03-21

    「精品」电气控制原理动图,一看就懂超赞!

    低压电器部分 1按钮开关 2闸刀开关 3行程开关 4交流接触器 5热继电器 6时间继电器 7速度继电器 电动机及控制线路 1异步电动机 2直流电动机 3步进电动机 4永磁电机 5正反转控制 6自动往...
    2023-06-11
    「精品」电气控制原理动图,一看就懂超赞!

    热销商品

    加厚abs安全帽电工建筑工地程施工领导监理透气防砸头盔可印字V型

    这款加厚ABS安全帽专为电工、建筑工地施工人员、领导及监理设计,采用高强度ABS工程塑料,抗冲击、防砸性能优异,有效保障头部安全。帽体加厚设计,增强耐用性与防护等级...
    5.8

    水口钳高硬度模型剪钳电子钳工业级口水剪斜嘴钳偏口斜口专用钳子

    水口钳高硬度模型剪钳是一款工业级精密工具,专为电子、模型制作及精细作业设计。采用优质高碳钢材质,经热处理工艺打造,具备卓越的硬度和耐磨性,可轻松剪切金属引脚、...
    4.8

    170电子剪钳II 如意斜口钳 工业斜嘴钳水口钳 模型剪塑胶钳尖嘴钳

    170电子剪钳II如意斜口钳是一款专业级精密工具,集工业斜嘴钳、水口钳、模型剪、塑胶钳与尖嘴钳功能于一体,适用于电子维修、模型制作、手工艺及精密作业。其采用优...
    4.5

    安全帽国标工地加厚施工领导透气安全头盔建筑工程监理免费印字

    本款安全帽严格遵循国家GB 2811-2019标准,专为建筑工程、工地施工及监理人员设计。采用高强度ABS工程塑料,加厚壳体有效抗冲击,保障头部安全。帽体轻盈透气,内置可调...
    10

    包邮三角型简易螺丝刀三角十字螺丝刀螺丝批改锥起子五金工具5mm

    这款5mm三角型简易螺丝刀,专为拧紧或拆卸三角形螺丝设计,适用于电子维修、家电维护及精密仪器装配等场景。采用优质合金钢材质,刀头硬度高、耐磨损,确保长久使用不变...
    3.64

    网站栏目