工矿常用行车电器操作控制电路
时间:2023-03-08来源:佚名
|
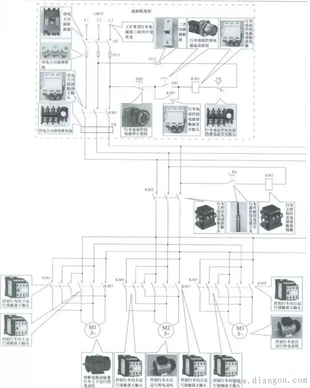
电工朋友在工作中最容易接触到的一种电气设备,那就是车间起吊重物的重要设备之一行车。它应用十分广泛,由于工作生产中都离不开行车电器操作控制电路这种设备,而这些配电线路虽然不太复杂,但操作控制箱和电缆线往往都设放在高处,故维修起来十分困难,这就要求电工从业人员能迅速提高操作技术水平,掌握更完整更细致的线路连接走向,更加熟悉电工行车配电线路及连接规律,才能在维修这些电气设备中运用自如,并能快速诊断故障点,并在较短时间内上到行车上方去解决电气故障点,以保证生产和工作的需求。因此在一些工厂里,行车是很重要的起吊重物的工具之一。图画出了工矿常用行车电器操作控制电路。其中总开、总停为一般交流接触器连接方法,图中上、下、左、右、前、后控制电路为点动,对应的交流接触器为KM3、KM4、KM5、KM6、KM7、KM8,并且电路中附加有限位开关以及换相互锁线路。特别值得一提的是,M1为起重电动机,它在机械上下起吊重物的过程中,装有限位断主动力线的断火限位器开关,以保证上下起吊不超过设定极限,保证起吊安全,由于电路复杂问题在另外电路应用中再加介绍,行车电动机上下起吊M1电动机也为特种起吊电动机,因它设有断电制动装置,在不通电时制动装置处于制动位置,而只有通电后电磁铁线圈吸合,才能将制动解除,电动机才能运转,从而起吊重物。
|











