由于直流电机在短路运行时的自励作用,将使电枢电流达到很大数值,可能使电机受到损害。为保证电机可靠运行及稳定的调节,必须对直流电机进行短路试验,下面本文根据国标规定的直流电机试验方法对直流电机短路试验进行介绍。 一具有串励绕组的电机在发电机方式下的短路试验方法 电机接成他励,串励绕组反向接入(差复励)。用感应法检查其极性,在电机静止时,主极绕组中交替地接通、断开励磁电流(应不超过额定值的20%),用直流电压表在串励绕组两端测量其感应电势的极性(图1a),如在接通励磁电流瞬时串励绕组中的感应电势使电压表正向偏转,则主极绕组中接通电源正端和串励绕组中接电压表的正端为同极性。 将被试电机按空载发电机方式运行,励磁电源的极性与前相同,用电压表测电枢两端电压的极性,然后停机将串励的正端与空载发电机电压的负端相连接,此时串励绕组即为反向接入(图1b)。
 图1 a(左)及图1b(右):具有串励绕组的电机在发电机方式下的短路方法电路原理图 二在发电机方式下用功率扩大机控制励磁的短路试验方法
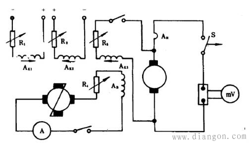
 图2:发电机方式下用功率扩大机控制励磁的短路方法电路原理图 Ak1——控制绕组,扩大机的主励磁绕组;Ak2——控制绕组,由于扩大机剩磁电压较高,用以减小其剩磁;Ak3——控制绕组,用以抑制自励作用 在发电机方式下用功率扩大机控制励磁的短路方法试验原理图如上图2所示,按照图2所示负载试验时R4应短接。 如果没有功率扩大机,可用复励直流发电机代替,将其串励绕组代替Ak3,接成差复励,或者用两台串联(其电势方向相反)的励磁机供被试电机励磁(如图3所示)。
 图3:两台串联励磁机励磁方式电路原理图 三临时缠绕串励绕组的短路试验方法 在主极上临时缠绕一个串励绕组,其极性仍用感应法确定(图4)。
 图4:临时缠绕串励绕组的短路试验方法电路原理图 四将一半主极绕组反接的短路试验方法 将并励或串励(对串励电机)绕组分成相同的两组,一组他励(为防止剩磁电压使发电机短路时冲击电流太大,励磁方法应与剩磁方向相反),另一组则并联在电枢两端(图5)。
 图5:将一半主极绕组反接的短路试验方法电路原理图 上述四种方法,不但在发电机方式下短路时是必需的,而且在大功率的直流电机作负载试验时,为使其安全可靠地调节,稳定地运行,也是常采用的,第一种和第三种短路试验方法适用于回馈运行时的辅助电机,第二种短路试验方法适用于被试电机及辅助电机。
|