电气原理图由主电路、控制电路、保护、配电电路等几部分组成,通过对每个部分的类别、结构、接线方式等进行了描述来达到示意的目的,所以掌握电气原理图的看图方法是很重要的,只要你懂得了电气原理图怎么看,就很容易理解里面示意的内容。 下面就为大家简单的介绍一下,电气原理图的看图方法。首先得按照看看电气控制电路图一般方法是先看主电路,再看辅助电路,并用辅助电路的回路去研究主电路的控制程序的方法来作为看图的主要思路,然后再按照下面介绍的步骤,一步一步的进行。 看主电路的步骤 第一步:看清主电路中用电设备。用电设备指消耗电能的用电器具或电气设备,看图首先要看清楚有几个用电器,它们的类别、用途、接线方式及一些不同要求等。 第二步:要弄清楚用电设备是用什么电器元件控制的。控制电气设备的方法很多,有的直接用开关控制,有的用各种启动器控制,有的用接触器控制。 第三步:了解主电路中所用的控制电器及保护电器。前者是指除常规接触器以外的其他控制元件,如电源开关(转换开关及空气断路器)、万能转换开关。后者是指短路保护器件及过载保护器件,如空气断路器中电磁脱扣器及热过载脱扣器的规格、熔断器、热继电器及过电流继电器等元件的用途及规格。一般来说,对主电路作如上内容的分析以后,即可分析辅助电路。 看辅助电路的步骤 第一步:看电源。首先看清电源的种类.是交流还是直流。其次.要看清辅助电路的电源是从什么地方接来的,及其电压等级。电源一般是从主电路的两条相线上接来,其电压为380V。也有从主电路的一条相线和一零线上接来,电压为单相220V;此外,也可以从专用隔离电源变压器接来,电压有140、127、36、6.3V等。辅助电路为直流时,直流电源可从整流器、发电机组或放大器上接来,其电压一般为24、12、6、4.5、3V等。辅助电路中的一切电器元件的线圈额定电压必须与辅助电路电源电压一致。否则,电压低时电路元件不动作;电压高时,则会把电器元件线圈烧坏。 第二步:了解控制电路中所采用的各种继电器、接触器的用途,如采用了一些特殊结构的继电器,还应了解他们的动作原理。 第三步:根据辅助电路来研究主电路的动作情况。 第四步:研究电器元件之间的相互关系。电路中的一切电器元件都不是孤立存在的而是相互联系、相互制约的。这种互相控制的关系有时表现在一条回路中,有时表现在几条回路中。 第五步:研究其他电气设备和电器元件。如整流设备、照明灯等。
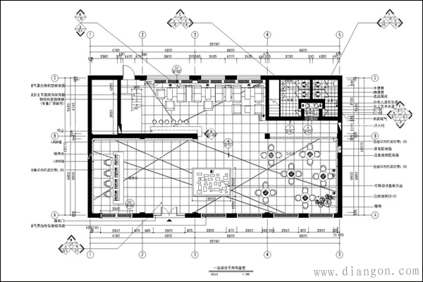
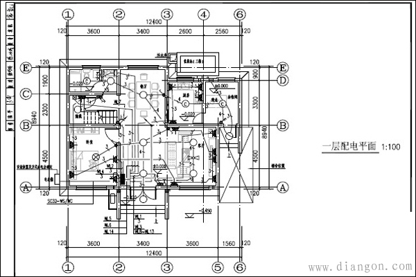
 1、水电图纸上各种符号的意义 SC:焊接钢管 PC:PVC聚乙烯阻燃性塑料管 CT:桥架 MR:金属线槽 PR:塑制线槽 WC:沿墙暗敷设 WS(WE):沿墙明敷设 CC:沿顶板暗敷设 F:暗敷在地板内 CE:沿顶板明敷 SCE:吊顶内 YJV:电缆 SYV:电视线 PE:接地(黄绿相兼) PEN:接零(蓝色) 3相线(火线):A项(黄) B项(绿) C项(红) KV:(电压)千伏 BV:聚氯乙烯单层塑料电线 BVV:聚氯乙烯双层塑料电线 MEB:总等电位 LEB:局部等电位
 2、线路敷设方式代号 PVC——用阻燃塑料管敷设 DGL——用电工钢管敷设 VXG——用塑制线槽敷设 GXG——用金属线槽敷设 KRG——用可挠型塑制管敷设 3、线路暗敷部位代号 LA——暗设在梁内 ZA—暗设在柱内 QA—暗设在墙内 PA——暗设在屋面内或顶棚内 DA——暗设在地面或地板内 PNA—暗设在不能进入的吊顶内
4、照明灯具安装方式代号 D——吸顶式 L——链吊式 G———管吊式 B——壁装式 R———嵌入式 BR———墙壁内安装 5、照明灯具标注方法 a--灯数 b--型号或编号 c--每盏照明灯具的灯泡个数 d--灯泡容量,W e--灯泡安装高度,m f--安装方式 L--光源种类,白炽灯或荧光灯

|