一开五孔单控和双控的区别

时间:2023-03-08来源:佚名
一开五孔是指一个单开的开关加一个二孔和一个三孔的插座,共三个在一个面板上。单和双的意思可能是开关的单控和双控,但是现在开关一般都双控。

    相关阅读

    点火系元器件的检测

    1、 点火线圈 用万用表 电阻档分别测量初、次绕组的电阻。若测量得电阻无穷大,则为绕组有断路故障;若电阻过大或过小,则说明绕组有接触不良或短路故障。用万用表测点火线圈接...
    2023-03-11
    点火系元器件的检测

    汽车蓄电池的结构

    一个12V蓄电池由六个串联的单体电池构成。它们安装在由隔板分隔的壳体中。 每个蓄电池的基本模块都是单体电池。单体电池由一个极板组构成,它是由一个正极板组和一个负极板组组...
    2023-03-05
    汽车蓄电池的结构

    只有220V家用电,竟能让变频器带动三相电机!一起来看看吧!

    让变频器在只有220V家用电的场合下,使三相电机转动起来,其特点是缓慢启动,对家用电路的启动冲击小。现在针对家用220电带三相电机的变频器主要分为两种。 第一种是输入220输出...
    2023-06-11

    触电的救护知识

    抢救首先是要使触电者脱离电源 ,其次是迅速对症救治。 1.断开电源 (1)站在干燥的木板等绝缘体上将触电者拉离带电体,如图(a)所示。 (2)若开关离触电地点较远,应用干木棒...
    2023-03-10
    触电的救护知识

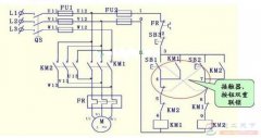
    一例双重连锁正反转控制的电路图详解

    由接触器、按钮双重连锁实现的正反转控制电路图,如下图: 这是一种很常见的正反转控制电路,通过接触器、按钮双重联锁对电路进行保护。 一、电路主要元器件与作用 1、空气开关...
    2022-11-27
    一例双重连锁正反转控制的电路图详解

    热销商品

    加厚abs安全帽电工建筑工地程施工领导监理透气防砸头盔可印字V型

    这款加厚ABS安全帽专为电工、建筑工地施工人员、领导及监理设计,采用高强度ABS工程塑料,抗冲击、防砸性能优异,有效保障头部安全。帽体加厚设计,增强耐用性与防护等级...
    5.8

    水口钳高硬度模型剪钳电子钳工业级口水剪斜嘴钳偏口斜口专用钳子

    水口钳高硬度模型剪钳是一款工业级精密工具,专为电子、模型制作及精细作业设计。采用优质高碳钢材质,经热处理工艺打造,具备卓越的硬度和耐磨性,可轻松剪切金属引脚、...
    4.8

    170电子剪钳II 如意斜口钳 工业斜嘴钳水口钳 模型剪塑胶钳尖嘴钳

    170电子剪钳II如意斜口钳是一款专业级精密工具,集工业斜嘴钳、水口钳、模型剪、塑胶钳与尖嘴钳功能于一体,适用于电子维修、模型制作、手工艺及精密作业。其采用优...
    4.5

    安全帽国标工地加厚施工领导透气安全头盔建筑工程监理免费印字

    本款安全帽严格遵循国家GB 2811-2019标准,专为建筑工程、工地施工及监理人员设计。采用高强度ABS工程塑料,加厚壳体有效抗冲击,保障头部安全。帽体轻盈透气,内置可调...
    10

    包邮三角型简易螺丝刀三角十字螺丝刀螺丝批改锥起子五金工具5mm

    这款5mm三角型简易螺丝刀,专为拧紧或拆卸三角形螺丝设计,适用于电子维修、家电维护及精密仪器装配等场景。采用优质合金钢材质,刀头硬度高、耐磨损,确保长久使用不变...
    3.64

    网站栏目