模拟量输入信号隔离器的类别
时间:2023-03-08来源:佚名
|
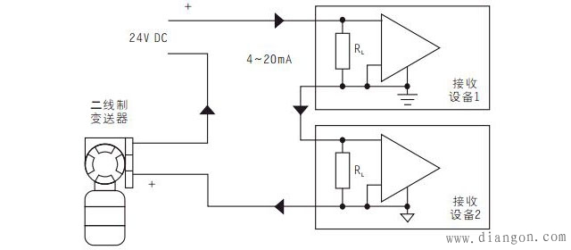
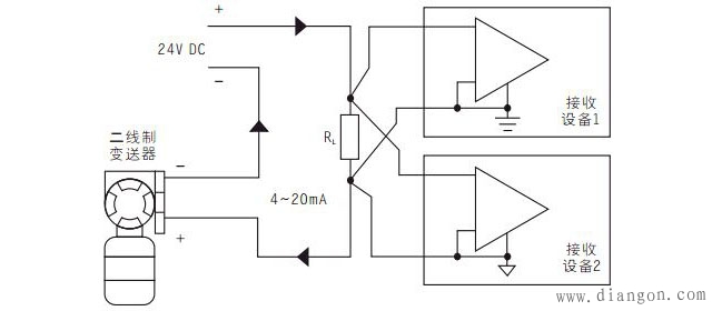
模拟量输入隔离器的品种比较多,从输入通道数来分有单路和双路,以及一路输入、二路输出信号分配功能的品种。供电方式来分又有:回路供电型和独立供电型。 回路供电型 回路供电型信号隔离器俗称无源信号隔离器,其输入输出均为二线,接线十分方便,它把dcs、plc或显示表提供电源经隔离给二线制变送器配电,同时,二线制变送器产生4-20mA信号隔离输入到DCS、PLC或显示表。它特别适合于现场为二线制变送器,需要隔离输入到DCS、PLC系统或显示仪表,而输入设备的输入卡具有内部供电功能的场合,如图1。 ![]() 图1 但是无源信号隔离器有不足之处: 1、无源信号隔离器相当于一个负载,经过隔离器在隔离两端之间有一个不大于6V的压降,因此它给二线制变送器配电工作电压会降低,一般要求变送器12V供电能工作。 例:供电24V,RL=250Ω,当20mA时,供给二线制变送器配电电压UO≈24V-0.02×RL-6≥13V,这样一般要求二线制变送器要在12V电压正常工作。 2、无源信号隔离器传输精度相对独立供电的隔离器要差一点,为0.4%F.S.,选用时要特别注意。 独立供电型 这是最为常用的配二线制变送器的信号隔离器SWP9034A,它需要对隔离器独立供电,如图2。其特点是: 1、信号隔离器传输精度高,达到0.1% F.S.。 2、信号隔离器SWP9034A接线方式灵活,可以接二线制变送器、三线制变送器或电流源信号,使用灵活方便。 3、电源、输入、输出之间完全隔离,保证高抗干扰性能。 图2 一进二出信号分配隔离器 在应用中,我们还会经常遇到将一个变送器信号接入两个或两个以上接收装置的情况,若采用串联环路,则环路中任一处开路都会造成整个环路上的仪表无信号,而且负载电阻之和很容易超过变送器的负载能力 还必须保证两个负载信号之间参考点不一样,如图3。 图3 因此一般不采用这种方法,通常采用的方法是:在环路中串接一个电阻, 再将负载并联在电阻上取电压信号,如串联一个250Ω电阻将4-20mA电流信号转换成1-5V电压信号。这种方式虽然能避免开路及负载能力等问题,但却存在以下不足,见图4: 1、通过串联电阻取电压信号方法是以假定接收设备的输入阻抗无穷大为前提的,所以接收设备的输入阻抗必然对信号的测量产生误差,而且,并联设备数目越多,误差越大。 2、导线越长,线阻的电压降越大,对实际电压信号的影响也越大,因此,信号传输距离不能太长。 3、由于RFI/EMI的信号容易与电压信号叠加,所以该连接易受无线射频/电磁干扰。 图4 解决以上问题的最理想方案是使用信号分配器SWP9034A(这种信号隔离器同时具备配电隔离器和信号分配器的功能)。把一路输入转换成隔离二路输出,精度高、隔离能力强,如图5。 图5 1、通过信号隔离器SWP9034A输出的两路信号既可相同也可不同,变送器和各个接收设备间完全隔离。 2、任一接收设备出现的故障不会影响整个环路及另一个接收设备。 |








