根据顺序功能图完成PLC梯形图程序的顺序控制设计法
时间:2023-03-08来源:佚名
|
合理的控制程序取决于正确梯形图的构成,而梯形图形成的最优化的方法是通过顺序功能图的转换来实现。首先根据控制过程的要求,给出顺序功能图,然后根据顺序功能图画出梯形图,用图形编程器将梯形图(或转换成指令代码)写入plc。
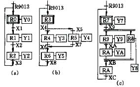
1、顺序功能图描述 顺序功能图(Sequential Function Chart)也称状态转移图,它是描述控制系统的控制过程、功能和特性的一种图形,是设计PLC控制程序的有利工具。它并不涉及所描述的控制功能的具体技术,是一种通用的技术语言,可供进一步设计和不同专业人员之间进行技术交流。 PLC (1)SFC的结构 SFC主要由步、有向连线、转换、转换条件和动作(或命令)组成。有单序列、选择序列和并行序列三种基本结构,如图1所示。任何复杂的顺序功能图都可由上述三种序列组合而成。 800)this.width=800">图1 SFC基本结构 (a)单序列 (b)选择序列 (c)并行序列 图1a所示的单序列由一系列相继激活的步组成,每一步后面仅接一个转换,每一个转换后面只有一步。在图1b所示的选择序列中,序列的开始称为分支,转换条件只能标在水平连线之下,有多少分支就有多少条件,一般只能同时选择一个条件对应的分支序列,序列的结束称为合并,N个选择序列合并到一个公共序列时需要相同数量的转换条件,且其条件只能标在水平连线之上。在图1c所示的并行序列中,其特点是当转换的实现导致几个序列同时被激活(分支),激活后每个序列中活动步的进展将是独立的,当并行序列结束时(合并),只有当合并前的所有前级步(R8、RA)为活动步,且转换条件满足(XB=1)时,才会发生步R8、RA到步RB的进展,为了强调转换的同步实现,在功能图中水平连线用双线表示。 PLC (2)SFC中转换实现的基本规则 在SFC中,步的活动状态的进展是由转换的实现来完成的。转换的实现必须同时满足下列条件,即该转换所有的前级步都是活动步且相应的转换条件得到满足。转换的实现使所有由有向连线与相应转换符号相连的后续步都变为活动步,而使所有前级步都变为不活动步。以上规则可以用于任意结构中的转换,是设计梯形图的基础。但是,对于不同结构,其区别如下: 在单序列中,一个转换仅有一个前级步和一个后续步。 在并行序列的分支处,转换有几个后续步,在转换实现时应同时将它们变为几个活动步(对应的编程元件置位)。 在并行序列的合并处,转换有几个前级步,它们均为活动步时才有可能实现转换,在转换实现时应将它们变为不活动步(对应的编程元件复位)。 在选择序列的分支与合并处,一个转换实际上也只有一个前级步和一个后续步,但是一个步可能有多个前级步或多个后续步,只能选择其一。 2、梯形图的编制 根据SFC设计梯形图时,通常用编程元件代表步。当某步为活动步时,对应的编程元件为“1”态,当该步之后的转换条件满足时,转换条件对应的触点或电路接通,因此可以将该触点或电路与代表前级步的编程元件的常开触点串联,作为与转换实现的两个条件同时满足对应的电路,当此电路接通时应使代表前级步的编程元件复位,同时使代表后续步的编程元件置位(变为“1”态)并保持,即起保停电路。图2是图1b所示选择序列功能图对应的梯形图。在图2中R3之后有一个选择序列的分支,设步R3是活动步,当它的后续步R4或R5变为活动步时,它都应将R3变为不活动步(“0”态),所以应将R4和R5的常闭触点与R3的线圈串联。步R6之前有一个选择序列的合并,当步R3是活动步且转换条件X6满足,或者步R5是活动步且转换条件X7满足,步R6都应为活动步,对应的起动电路由两条并联支路组成,每条支路分别由R4、X6和R5、X7的常开触点串联而成。并行序列和上述选择序列梯形图的编制有所不同,在图1c中,步R7之后有一个并行序列的分支,当步R7是活动步且转换条件X9满足,步R8、R9应同时变为活动步,这时用R7和X9的常开触点串联作为R8、R9的起动电路,与此同时步R7应变为不活动步,所以只需将R8或R9的常闭触点与R7的线圈串联即可。对于并行序列的合并(步RB之前),该转换实现的条件是所有的前级步(步R8、R9)都是活动步和XB条件满足。由此可知,应将R8、R9和XB的常开触点串联,作为控制RB的起保停电路的起动电路。 800)this.width=800">图2 图1b所对应的梯形图 图3是采用一台日本松下F0C14RS控制单元和一台E16RS扩展单元PLC控制一台轮胎内胎硫化机的顺序功能图。它包含有跳步、循环、选择序列等基本环节,一周期由初始、合模、反料、硫化、放气、开模以及报警等七步组成。它们与辅助继电器R10~R16相对应。在反料和硫化阶段,Y2接通,蒸气进入模具。在放气阶段,Y2断开,放出蒸气。反料阶段允许打开模具,硫化阶段则不允许。急停按扭X0可以停止开模操作,也可以将合模改为开模。 800)this.width=800">图3 实例控制顺序功能图 由图3可知,初始状态步R10有两个前级步(R15、R16)和一个起动信号R9013(PLC开始运行时应将R10置为“1”态,否则系统无法工作,所以将R9013初始闭合继电器作为起动信号,即R9013只在程序运行中第一次扫描时合上,从第二次扫描开始断开并保持断开状态),因此,R10的起动电路由三条支路并联而成,其起保停电路的逻辑表达式为: PLC 800)this.width=800">其他各步起保停电路按照梯形图设计规则依此类推,可得到图4所示梯形图。 800)this.width=800">图4 实例梯形图 |
800)this.width=800">
800)this.width=800">
800)this.width=800">
800)this.width=800">
800)this.width=800">








