如何绘制电气原理图

时间:2023-03-08来源:佚名

绘制电气控制线路图是积累工作资料的一项重要内容,可采用辅助绘图软件提高工作效率。AutoCAD2006是常用的电气辅助设计软件之一。利用AutoCAD2006的工具选项板,将电气图常用电气图形文字符号定制在工具选项板中,提高电气图绘制速度。

图形符号绘制

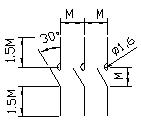
交流接触器主触头的图形文字符号定制时先设计主触头图形尺寸,为了与其它电器元件对应尺寸一致,尺寸参考设计为:基本间距M=4.8mm,倾角a=30°,触头触点直径d=1.6mm,其余线间距取0.75M、1.5M等。

如何绘制电气原理图

接触器主触头图形尺寸

电气图常用图形尺寸设计后,在AutoCAD 2006环境下,绘制电气图常用图形及文字符号,见图。

如何绘制电气原理图

电气图部分常用图形文字符号

图形符号块定义

选择菜单项“绘图”∣“块”∣“创建”,即执行block命令进行,在弹出的“块定义”对话框,按图设置。

如何绘制电气原理图

定义块对话框

块的命名应具有一定的含义并方便记忆,例如主触头块名取为KMM-3V(KM表示接触器,M表示主触头, 3表示3极,V表示竖式布置),单击“拾取点”按钮后,在AutoCAD绘图界面中拾取图中第1条竖线的上端点作为块基点,自动回到“块定义”对话框。
单选“转换为块”单选按钮,再单击“选择对象”按钮,又回到AutoCAD绘图界面中。选择所有接触器主触头图形后右击,AutoCAD自动回到“块定义”对话框,填写说明文字后单击对话框中的“确定”按钮,完成块定义。
所有电气图常用图形文字符号块定义完成后,给文件取名(例如取名为电器图形文字符号库),然后保存到磁盘(如存在D盘)。

定制工具选项板

选择菜单项“工具” ∣“设计中心”,或单击标准工具栏上“设计中心”快捷按钮,AutoCAD2006弹出“设计中心”窗口。

如何绘制电气原理图

显示命名对象项

在窗口左边的文件列表夹中找到“电器图形文字符号库.dwg”文件,窗口右边会显示对应的命名对象项,右击文件名“电器图形文字库.dwg”文件,从弹出的快捷菜单中选择“创建工具选项板”,即可在工具板中创建新选项卡。
创建电器图库选项板后,在工具选项板上右击,在弹出的快捷菜单中选择“重命名选项板”,将该选项板命名为“电气”,选取某一图形文字符号,将之拖到AutoCAD绘图界面中,就可将该电气图形文字符号插入到当前图形。

如何绘制电气原理图

创建后的电器图库工具选项板

热销商品

加厚abs安全帽电工建筑工地程施工领导监理透气防砸头盔可印字V型

这款加厚ABS安全帽专为电工、建筑工地施工人员、领导及监理设计,采用高强度ABS工程塑料,抗冲击、防砸性能优异,有效保障头部安全。帽体加厚设计,增强耐用性与防护等级...
5.8

欧普led筒灯3w孔灯超薄桶灯吊顶天花灯过道嵌入式洞灯客厅5w

欧普LED筒灯是一款高品质嵌入式照明产品,适用于客厅、过道、吊顶等多种场景。采用优质LED光源,提供3W和5W两种功率选择,光线柔和均匀,显色指数高,有效还原真实色彩。超...
7.45

水口钳高硬度模型剪钳电子钳工业级口水剪斜嘴钳偏口斜口专用钳子

水口钳高硬度模型剪钳是一款工业级精密工具,专为电子、模型制作及精细作业设计。采用优质高碳钢材质,经热处理工艺打造,具备卓越的硬度和耐磨性,可轻松剪切金属引脚、...
4.8

170电子剪钳II 如意斜口钳 工业斜嘴钳水口钳 模型剪塑胶钳尖嘴钳

170电子剪钳II如意斜口钳是一款专业级精密工具,集工业斜嘴钳、水口钳、模型剪、塑胶钳与尖嘴钳功能于一体,适用于电子维修、模型制作、手工艺及精密作业。其采用优...
4.5

安全帽国标工地加厚施工领导透气安全头盔建筑工程监理免费印字

本款安全帽严格遵循国家GB 2811-2019标准,专为建筑工程、工地施工及监理人员设计。采用高强度ABS工程塑料,加厚壳体有效抗冲击,保障头部安全。帽体轻盈透气,内置可调...
10

网站栏目